
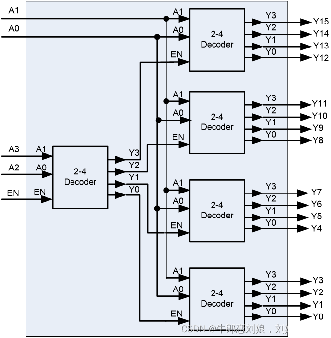
原理图如上
知道原理图 代码也就ok了
需要两个vhdl文件
一个是main文件 也就是主输入输出
另一个是 元件vhdl 实现部分输入输出 在这里指 2-4译码器
由于之前写的奇偶判别器 没有改实体名 这点可以忽略
主程序如下
entity jiou is
port(
signal x:in bit_vector(3 downto 0);
signal en:in bit;
signal z:out bit_vector(15 downto 0)
);
end entity;
architecture behave of jiou is
signal enchild:bit_vector(3 downto 0);
component jo21 is
port(
signal x:in bit_vector(1 downto 0 );
signal en:in bit;
signal y:out bit_vector(3 downto 0)
);
end component;
begin
u1:jo21 port map(x(3 downto 2),en,enchild(3 downto 0));
u2:jo21 port map(x(1 downto 0),enchild(3),z(15 downto 12));
u3:jo21 port map(x(1 downto 0),enchild(2),z(11 downto 8));
u4:jo21 port map(x(1 downto 0),enchild(1),z(7 downto 4));
u5:jo21 port map(x(1 downto 0),enchild(0),z(3 downto 0));
end architecture;
子程序如下
entity jo21 is
port(
signal x:in bit_vector(1 downto 0 );
signal en:in bit;
signal y:out bit_vector(3 downto 0)
);
end entity;
architecture behave of jo21 is
signal k:bit_vector(2 downto 0);
begin
k<=en&x;
with k select
y<="0001" when "100",
"0010" when "101",
"0100" when "110",
"1000" when "111",
"0000" when others;
end architecture;
仿真波形图 部分如下

如此即可 。
如果本篇博客有用的话 请点个赞再走呗
该博客介绍了使用VHDL语言设计2-4译码器及其在主程序中的应用。主程序包括一个主输入输出模块和一个元件模块,元件模块实现了2-4译码功能。通过实例展示了如何将2-4译码器并联使用以得到更宽的输出。仿真波形验证了设计的正确性。
3万+

被折叠的 条评论
为什么被折叠?



