
本文也许能帮你在调试FOC电流环的时候给你带来一些帮助和思路。
如果本文帮到了您,请帮忙点个赞 👍👍👍;
如果本文帮到了您,请帮忙点个赞 👍👍👍;
如果本文帮到了您,请帮忙点个赞 👍👍👍;
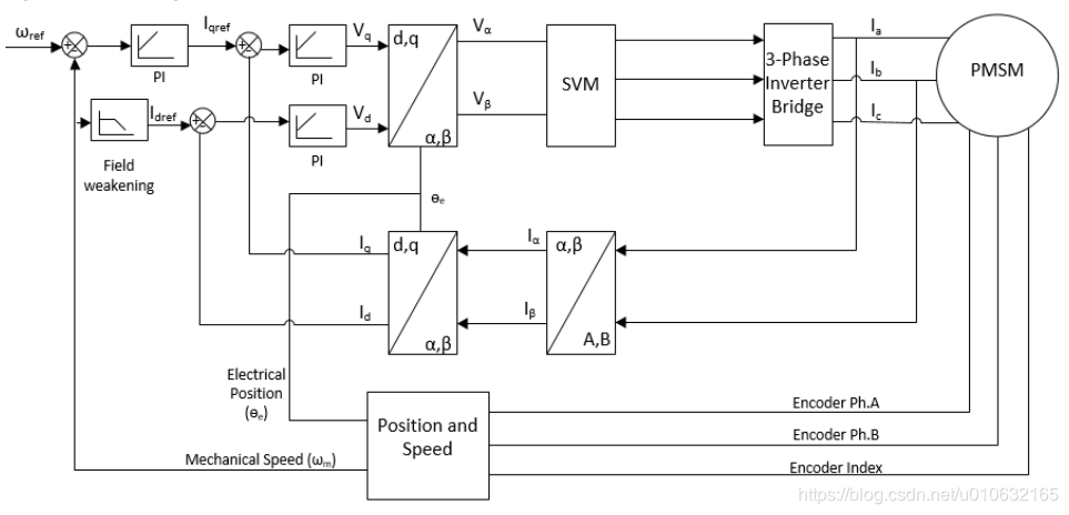
1 系统架构
系统架构是双闭环架构,从内而外分别是电流环,速度环或位置环,有感FOC算法可以参考这篇文章《有感FOC算法学习与实现总结》。所以在这环环相扣的系统中,内环的电流环显得格外重要,电流环需要快速响应,稳点性好的特点。
系统架构图如下:

在FOC算法中,将系统交流同步电机的控制系统解耦为以转子为参考坐标的DQ交直轴旋转坐标,相关坐标变换可以参考《FOC中的Clarke变换和Park变换详解(动图+推导+仿真+附件代码)》,因此最终只需要控制 I q I_q
本文详细介绍了FOC(磁场定向控制)中电流环的调试,包括系统架构、转矩模型、PI控制器的参数调节。重点阐述了电流环的重要性,转矩方程,以及如何通过比例积分控制器实现对电机输出转矩的精确控制。通过调整Kp和Ki参数,以达到理想的系统响应,并提到了超调问题和解决方案。最后,指出在传统PI控制器基础上引入更多优化算法的可能性。
订阅专栏 解锁全文
479





