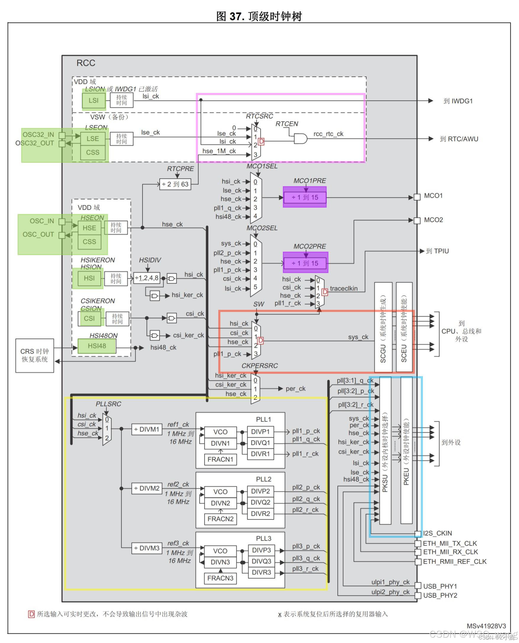
1、时钟树框图:
首先我们来看下H7的时钟树,那接下来将带你了解下整体的时钟树原理以及各个模块的分析。

因为整体框图太大,所以我们把他分成几部分来分析,首先看下外部输入的时钟源:
外部时钟源
STM32H7共有6个外部时钟源,分别是:
HSI(高速内部振荡器)时钟:~ 8 MHz、16 MHz、32 MHz 或 64 MHz
HSE(高速外部振荡器)时钟:4 MHz 到 48 MHz
LSE(低速外部振荡器)时钟:32 kHz
LSI(低速内部振荡器)时钟:~ 32 kHz
CSI(低功耗内部振荡器)时钟:~ 4 MHz
HSI48 (高速 48 MHz 内部振荡器)时钟:~48 MHz
LSI LSI 属于 STM32H7 内部低速时钟源,频率约为 32Khz。
LSI 可作为低功耗时钟源保持运行,供独立看门狗 (IWDG) 和 RTC时钟/自动唤醒单元 (AWU) 使用
LSE LSE 则是外部低速时钟源,常用为 32.768Khz(使用 32.768Khz 晶振或陶瓷谐振器生成)
可作为实时时钟 (RTC) 的时钟源来提供时 钟/日历或其他定时功能,具有功耗低且精度高的优点
HSE HSE 是外部高速时钟,正常我们都用HSE来作为系统时钟输入,常用25Mhz的外部晶振。
系统进入停止或待机模式时,HSE 会自动由硬件禁止
HSE 时钟可被驱动到 MCO1 和 MCO2 输出,以及用作其他应用组件的时钟源
HSI
HSI 是内部高速时钟,频率为 64Mhz;
可直接用作系统时钟、外设时钟或 PLL 输入
可使用 HSIDIV预 分频器来选择 8 MHz、16 MHz、32 MHz 或 64 MHz 的 HSI 输出频率
CSI CSI 是低功耗内部时钟,频率为 4Mhz;
可直接用作系

最低0.47元/天 解锁文章
1984

被折叠的 条评论
为什么被折叠?



