ST的L9963E的BMS控制芯片相关说明

在这里插入图片描述

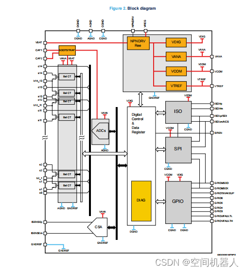
在这里插入图片描述

框图解释

这是一个典型的电池管理系统(BMS)的框图,展示了系统的各个主要功能模块和连接方式。

  1. 电源模块

    • VDIG:数字电源,用于供给数字逻辑电路。
    • VANA:模拟电源,用于供给模拟电路部分。
    • VCOM:用于通信接口的稳压电源。
    • VTREF:提供精确的模拟参考电压,用于驱动多个NTC(负温度系数热敏电阻)。
  2. 电流传感

    • CSA:电流检测放大器,用于测量电流。
  3. ADC

评论
添加红包

请填写红包祝福语或标题

红包个数最小为10个

红包金额最低5元

当前余额3.43前往充值 >
需支付:10.00
成就一亿技术人!
领取后你会自动成为博主和红包主的粉丝 规则
hope_wisdom
发出的红包

打赏作者

空间机器人

您的鼓励是我创作最大的动力

¥1 ¥2 ¥4 ¥6 ¥10 ¥20
扫码支付:¥1
获取中
扫码支付

您的余额不足,请更换扫码支付或充值

打赏作者

实付
使用余额支付
点击重新获取
扫码支付
钱包余额 0

抵扣说明:

1.余额是钱包充值的虚拟货币,按照1:1的比例进行支付金额的抵扣。
2.余额无法直接购买下载,可以购买VIP、付费专栏及课程。

余额充值