YawRate及其计算方法

YawRate及其计算方法

Yaw Rate

Yaw rate(偏航角速率)是车辆或飞行器围绕垂直轴旋转的速率。

Yaw Rate的定义

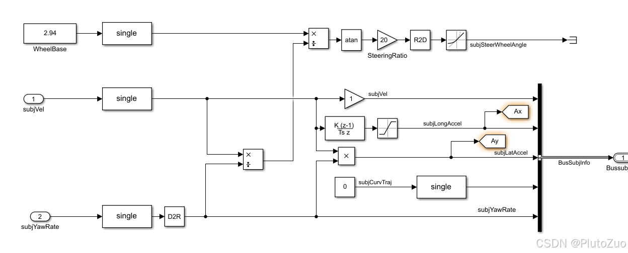
YawRate,即偏航角速率,是描述车辆或飞行器围绕其垂直轴旋转速率的一个关键参数。在车辆动力学和航空航天领域中,YawRate的测量和分析对于理解物体的运动状态至关重要。具体而言,YawRate可以通过测量物体转向的角速度来得出,其计算公式为:
Y a w R a t e = V e h i c l e S p e e d ∗ t a n ( S t e e r i n g A n g l e ) / W h e e l b a s e YawRate = VehicleSpeed * tan(SteeringAngle) /Wheelbase YawRate=VehicleSpeed

<think>首先,用户在询问计算或应用YawRate(偏航率)与速度的乘积在传感器数据处理或自动驾驶中的意义或实现方法。我需要根据用户提供的引用来回答,但用户说这些引用仅供参考,我应该参考上一次的问题和回答,但由于这是新对话的一部分,我还没有历史消息。用户提到“用户上一次的问题和你的回答”,但在这个消息中,是第一个消息,所以可能没有前一个上下文。从系统指令看,这是用户的初始查询。回顾用户的查询:“我想计算或理解YawRate与速度的乘积在技术上的意义或实现方法请问如何计算或应用YawRate与速度的乘积在传感器数据处理或自动驾驶中”用户想知道如何计算或应用偏航率(YawRate)与速度的乘积。从引用中,特别是[^1]和[^4],他们提到了自动驾驶的算法和应用。引用[^1]讨论了机器学习在自动驾驶中的应用,而引用[^4]提到了时空联合规划,这与车辆运动相关。关键概念:-**YawRate**:车辆偏航的旋转速率,通常以弧度/秒或度/秒表示。它表示车辆绕垂直轴(z轴)的旋转速度。-**速度**:可能是线速度,比如车辆前进的速度。-**乘积**:所以是YawRate×Speed。在自动驾驶中,这个乘积在技术上的意义或实现方法是什么?在车辆动力学中:-YawRate(偏航率)乘以速度(v)可以给出向心加速度或转弯半径之类的意思,但我们回忆一下:-转弯半径(R)与偏航率(ψ_dot)和速度(v)有关:\(R=\frac{v}{\dot{\psi}}\),其中\dot{\psi}是偏航率。-向心加速度(a_c)由\(a_c=\frac{v^2}{R}\)给出,并且因为\(R=\frac{v}{\dot{\psi}}\),所以\(a_c=v\cdot\dot{\psi}\)。-因此,YawRate×Speed=\dot{\psi}\timesv=a_c,即向心加速度。所以,在技术上,偏航率与速度的乘积表示车辆的向心加速度。这在控制自动驾驶车辆时非常关键,因为它影响转向稳定性和安全。在传感器数据处理中:-传感器如IMU(惯性测量单元)可能直接测量偏航率和加速度。但在融合算法中,计算这个乘积有助于:-估计车辆的状态,比如在卡尔曼滤波器中。-基于动态约束验证传感器读数。-用于轨迹规划和预测,确保转弯时加速度在安全范围内。实现方法:-**计算**:简单乘法。用编程语言如Python实现:`centripetal_acceleration=yaw_rate*speed`,其中yaw_rate从陀螺仪传感器读取,速度从轮速传感器或GPS读取。-**应用**:-**控制**:在MPC(模型预测控制)中,向心加速度可以作为约束,以确保车辆不会翻车或打滑。例如,在高速转弯时控制。-**传感器融合**:在多传感器融合中,计算出的向心加速度可以与IMU测量的加速度比较,以检测不一致或错误。-**运动规划**:在时空联合规划中(如引用[^4]提到的),向心加速度用于定义舒适性和安全性的路径。-**驾驶员辅助**:在ADAS(高级驾驶辅助系统)中,监测这个值可以用于车道保持警告或自动紧急制动。现在,引用参考:-从引用[^1]:它讨论了机器学习在自动驾驶中的应用,包括传感器融合。所以,我可以提到在数据融合中,这个乘积可能用作特征。-引用[^3]:关于PCA的应用,但不直接相关。-引用[^4]:提到时空联合规划,学习车辆动力学和MPC,正相关。在回答中,我需要:-使用中文。-引用相关部分,自然地添加引用标识,如[^1]。-包括问题结构化。-生成相关问题(如系统指令所示)。回答结构:1.**解释意义**:澄清YawRate×Speed的意义。2.**计算方法**:给出简单公式和代码示例。3.**应用**:在传感器数据处理和自动驾驶中的应用。4.**基于引用的支持**。5.最后,生成相关问题。代码示例:既然指令提到Python等,我应该提供一个简单代码片段。确保LaTeX:所有数学表达式用$...$格式。例如,偏航率记为$\dot{\psi}$,速度记为$v$。最终公式:向心加速度$a_c=\dot{\psi}\timesv$。生成相关问题:作为结尾。完整回答:-简介。-意义部分。-计算方法,有代码。-应用部分。-引用部分。-相关问题。</think> 以下是针对您查询“如何计算或应用YawRate(偏航率)与速度的乘积在传感器数据处理或自动驾驶中”的详细解答。我将从技术意义、计算方法和实际应用三个方面逐步解释,确保内容基于车辆动力学原理,并结合您提供的引用(主要参考[^1]和[^4],因为[^1]讨论了自动驾驶中的传感器数据处理和算法应用,[^4]涉及车辆运动动力学和规划)。所有数学表达式遵循LaTeX格式(行内公式用$...$),应用部分使用代码示例说明。 ### 1. **技术意义:YawRate与速度乘积的意义** 在车辆动力学和自动驾驶中,YawRate(偏航率,记作$\dot{\psi}$)表示车辆绕垂直轴(z轴)的旋转速率(单位:rad/s或deg/s),速度(记作$v$)表示车辆前进的线速度(单位:m/s)。它们的乘积$\dot{\psi} \times v$具有直接的物理意义:它表示车辆的**向心加速度**(Centripetal Acceleration,记作$a_c$),即车辆在转弯时产生的径向加速度。 - **公式推导**: - 根据物理学,转弯半径$R$与偏航率和速度的关系为 $ R = \frac{v}{\dot{\psi}} $。 - 向心加速度定义为 $ a_c = \frac{v^2}{R} $,代入得 $ a_c = \frac{v^2}{R} = v \times \dot{\psi} $。 - 因此,$ \dot{\psi} \times v = a_c $。 向心加速度表示车辆在转弯时因方向改变而加速的程度。在自动驾驶中,计算$a_c$至关重要,因为它: - **影响安全**:如果$a_c$超过阈值(如轮胎摩擦极限),车辆可能打滑或侧翻。 - **与传感器数据处理相关**:在IMU(惯性测量单元)等传感器中,向心加速度可用于验证数据一致性或融合其他传感器(如激光雷达或摄像头)的数据[^1]。 - **应用于规划**:在车辆运动控制中,它是时空联合规划算法的关键输入,确保转弯过程平滑且安全(如引用[^4]提到的车辆运动动力学学习和非线性优化)。 在引用中,[^1]强调了机器学习算法在传感器数据融合中的应用,而向心加速度可以作为特征输入;[^4]则涉及MPC(模型预测控制)中的动态约束,间接与$a_c$相关。 ### 2. **计算方法:如何计算YawRate与速度乘积** 计算$\dot{\psi} \times v$非常简单,但需要准确的传感器数据输入。以下是分步骤说明。 #### (a) **公式表达** - 基本计算:向心加速度 $ a_c = \dot{\psi} \times v $。 - 单位转换:YawRate通常以deg/s输出,但在计算前需转换为rad/s(因为国际单位制使用弧度)。转换公式:$ \dot{\psi}_{\text{rad}} = \dot{\psi}_{\text{deg}} \times \frac{\pi}{180} $。 - 最终公式:$ a_c = \left( \dot{\psi}_{\text{rad}} \right) \times v $。 #### (b) **实现方法(Python代码示例)** 在实际传感器数据处理中,您可以从传感器读取YawRate和速度值: - YawRate来源:IMU传感器中的陀螺仪组件直接提供。 - 速度来源:轮速传感器(wheel encoders)、GPS或车载总线(如CAN总线)。 - 代码逻辑:验证数据输入是否有效(如范围检查),然后执行乘法。 以下是示例Python代码,使用NumPy进行高效计算(假设数据已从传感器流中获取): ```python import numpy as np def calculate_centripetal_acceleration(yaw_rate_deg, velocity): """ 计算向心加速度,单位:m/s² :param yaw_rate_deg: YawRate输入(单位:deg/s) :param velocity: 速度输入(单位:m/s) :return: 向心加速度 a_c """ # 转换YawRate到rad/s yaw_rate_rad = np.deg2rad(yaw_rate_deg) # 计算乘积(向心加速度) a_c = yaw_rate_rad * velocity return a_c # 示例数据:假设从IMU读取YawRate为30 deg/s,速度从轮速传感器读取为20 m/s yaw_rate = 30.0 # deg/s speed = 20.0 # m/s centripetal_acc = calculate_centripetal_acceleration(yaw_rate, speed) print(f"向心加速度: {centripetal_acc:.2f} m/s²") # 输出示例: 向心加速度: 10.47 m/s² ``` 这段代码可集成在ECU(电子控制单元)中,或用于机器学习算法的特征提取(如引用[^1]中的传感器数据融合应用)。 #### (c) **注意事项** - **传感器精度**:YawRate传感器(如陀螺仪)可能有噪声,建议使用滤波(如卡尔曼滤波器)平滑数据。 - **安全限制**:在计算后,应检查$a_c$是否在物理范围内(如路面摩擦系数限制)。典型约束:对于公路车辆,$a_c$一般不超过 $2 \, \text{m/s}^2$(舒适标准)或 $5 \, \text{m/s}^2$(安全极限)。 - **与其他引用关联**:引用[^3]提到了数据降维和特征提取(如PCA),但这里$a_c$直接作为特征,减少了高维传感器数据的复杂性。 ### 3. **应用:在传感器数据处理和自动驾驶中的实际应用** 在自动驾驶系统中,YawRate与速度的乘积(即向心加速度)直接应用于感知、规划和控制模块。以下是关键应用场景,结合您的引用[^1]和[^4]。 #### (a) **传感器数据处理** - **数据融合与验证**:在多传感器系统中(如激光雷达、雷达、IMU),计算$a_c$可用于交叉验证数据一致性。例如: - IMU测量加速度,但包括线性加速度和重力影响。计算出的$a_c$应与IMU的径向分量比较,以检测异常(如传感器漂移),帮助提高融合算法的鲁棒性[^1]。 - 在机器学习算法中(如引用[^1]中的决策矩阵或回归算法),$a_c$可作为输入特征,用于驾驶场景分类或驾驶员状态评估(如预测转弯意图)。 - **去噪与特征提取**:类似引用[^3]的PCA方法,通过保留$a_c$作为关键特征(而非所有传感器数据),能降维减少存储开销,同时提升后续算法效率。 #### (b) **自动驾驶规划与控制** - **MPC(模型预测控制)**:在车辆控制系统中,$a_c$作为动态约束输入到MPC模型中。例如: - 确保规划出的轨迹满足$a_c \leq a_{\text{max}}$,避免不稳定转弯(引用[^4]提到的非线性优化应用)。 - 在时空联合规划中(如引用[^4]的学习路径),计算$a_c$用于生成平滑路径,优化速度分布(如高速转弯时减速)。 - **应用实例**:在ADAS功能中: - **车道保持辅助**:实时监测$a_c$,当值过高时触发警告或自动矫正转向。 - **碰撞避免**:结合摄像头或雷达,预测目标点的$a_c$,计算安全转弯半径。 - 平均应用频率:在自动驾驶软件中,这个计算通常每秒运行多次(如100Hz),以保证实时响应。 通过上述应用,这个乘积不仅简化了传感器数据处理,还提高了系统的可靠性和性能。引用[^4]强调了从车辆动力学学习到实际复现的路径,计算$a_c$正是这一过程中的基础步骤。 ### 总结 计算和应用YawRate与速度的乘积($\dot{\psi} \times v = a_c$)在自动驾驶中至关重要,它表示向心加速度,用于传感器数据融合、运动控制和安全监测。实现上,只需从传感器读取数据后执行简单乘法(可使用Python等语言实现),并集成到控制算法或机器学习模型中。基于引用[^1],这是一个典型的传感器数据特征;引用[^4]则突出了其在动力学规划中的角色。
评论
添加红包

请填写红包祝福语或标题

红包个数最小为10个

红包金额最低5元

当前余额3.43前往充值 >
需支付:10.00
成就一亿技术人!
领取后你会自动成为博主和红包主的粉丝 规则
hope_wisdom
发出的红包
实付
使用余额支付
点击重新获取
扫码支付
钱包余额 0

抵扣说明:

1.余额是钱包充值的虚拟货币,按照1:1的比例进行支付金额的抵扣。
2.余额无法直接购买下载,可以购买VIP、付费专栏及课程。

余额充值