运放和电压比较器的本质区别

运放和电压比较器的本质区别

目录

运放和电压比较器的本质区别

比较器概念

比较器原理

单限比较器

滞回比较器

比较器和运算放大器的区别

运放和电压比较器的本质区别

(1)放大器与比较器的主要区别是闭环特性!

(2)比较器就是运放的开环应用 

运放和比较器的区别

  比较器和运放虽然在电路图上符号相同,但这两种器件确有非常大的区别,一般不可以互换,区别如下:


比较器概念

比较器是通过比较两个输入端的电流或电压的大小,在输出端输出不同电压结果的一种电子元件。

输入端接的是模拟信号,输出端输出是的数字信号(0和1),所以输出的信号要么是高电平要么就是低电平。

比较器原理

因为运放开路增益非常大,两个输入端就算是微小的差异,也会获得极大的输出,导致输出直接饱和(saturation)的状态

选择其中一个输入端作为参考点(REF)来进行比较,(如下图),选择反相输入端作为参考,当正相端V1大于V2时,Vout输出高电平,当V1小于V2时,Vout输出低电平。

看下比较器的Datasheet(规格书),下图是LM339的输出端的电路结构,内部方框图:

图中我们可以看出比较器的输出端是个OC门,也就是说它的集电极是开路的,这样大家应该就知道前面说的高低电平如何确定了吧,OC输出也就是说它的集电极是悬空的,它的上面需要接一个上拉电阻,如下图所示:

(OC输出:即OC门,又称集电极开路门,Open Collector,是集电极开路的一种输出结构)

从上图可以看出,假如输出的是一个高电平,那么这个高电平就是等于上拉电阻R1的VCC电压,低电平电压就是等于地(0V)。

即:当V1大于V2时,Vout输出高电平,多高吗?等于15V;

      当V1小于V2时,Vout输出低电平,多低吗?等于0V;

所以,可以根据自已实际设计的电路需要来选择合适的上拉电压VCC,从而来达到输出高电平的一个电压;例如需要输出5V则将输出端上拉到5V,而低电平则由比较器的地(GND)决定,这就涉及比较器的单电源还是双电源供电问题了,低电平电压就等于比较器的负电源电压。

单电源供电(如下图)

双电源供电(如下图)

从单电源和双电源的供电方式对比我们知道,单电源负电压供电是接地的;而双电源它是接了一个负压的;

所以,综上所述:当你不需要输出负电压时,就选择单电源供电,如果你需要输出负电压时就选择双电源供电。

02总结:

1、根据输出是否需要负电压来选择供电方式(不需要负压选择单电源供电,需要负压选择双电源供电)。

2、当比较器正相输入端电压大于反相输入端电压时,输出为高电平。

3、当比较器正相输入端电压小于反相输入端电压时,输出为低电平。

单限比较器

我们可以将某一个输入端连接参考电压UREF,另一端连接待测电压uI,即可比较参考电压与待测电压的大小。参考电压就是输出电压由高电平变为低电平,或者由低电平变为高电平跃变的阈值。此电路只存在一个阈值电压,被称为单限比较器。
在这里插入图片描述
图 两种单限比较器与电压传输特性

滞回比较器

 比较器,迟滞比较器

在单限比较器中,输入电压在阈值电压附近的任何微小变化,都会引起输出电压的跃变。不管这种微小变化是来源于输入电压还是来源于外部干扰。因此,虽然单限比较器很灵敏,但是抗干扰能力差。在单限比较器中加入正反馈,反相输入端接输入电压,可以做成滞回比较器。它具有惯性,看上去反应比较“慢”,对微小变化不敏感,有一定的抗干扰能力,因此称为滞回比较器。
在这里插入图片描述

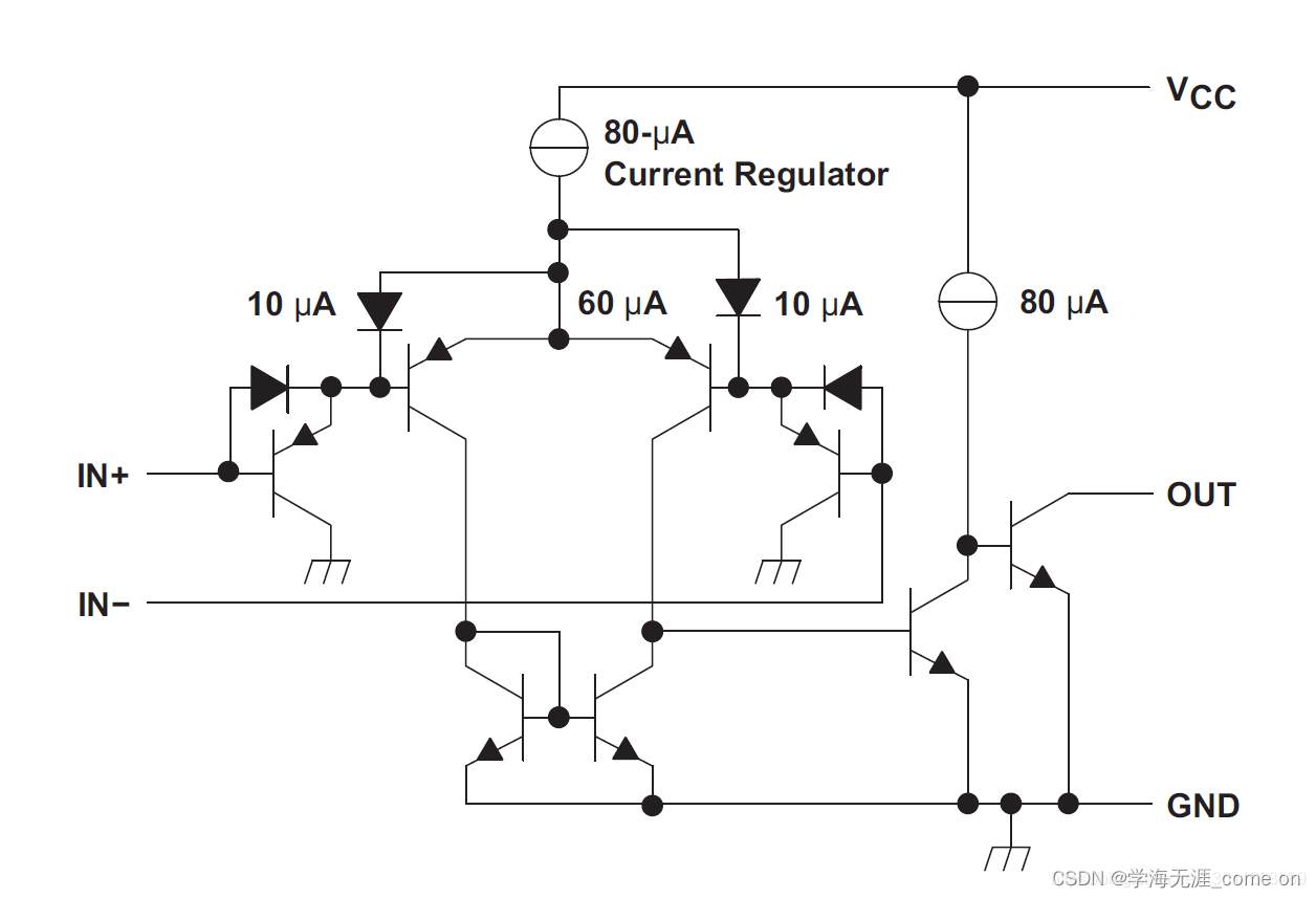
比较器和运算放大器的区别

  从内部图可以看出运算放大器和比较器的差别在于输出电路。运算放大器采用双晶体管推挽输出,而比较器只用一只晶体管,集电极连到输出端,发射极接地。

  比较器需要外接一个从正电源端到输出端的上拉电阻,该上拉电阻相当于晶体管的集电极电阻。

  运算放大器可用于线性放大电路(负反馈),也可用于非线性信号电压比较(开环或正反馈)。

  电压比较器只能用于信号电压比较,不能用于线性放大电路(比较器没有频率补偿) 。

  两者都可以用于做信号电压比较,但比较器被设计为高速开关,它有比运算放大器更快的转换速率和更短的延时。

运放和电压比较器的本质区别

(1)放大器与比较器的主要区别是闭环特性!

  放大器大都工作在闭环状态,所以要求闭环后不能自激 . 而比较器大都工作在开环状态更追求速度 . 对于频率比较低的情况放大器完全可以代替比较器(要注意输出电平),反过来比较器大部分情况不能当作放大器使用 .

运放专题:电压比较器_单片机_不愿透露姓名的局内人-GitCode 开源社区

(2)比较器就是运放的开环应用 

       但比较器的设计是针对电压门限比较而用的,要求的比较门限精确,比较后的输出边沿上升或下降时间要短,输出符合 TTL/CMOS 电平 / 或 OC 等,不要求中间环节的准确度,同时驱动能力也不一样。一般情况:用运放做比较器,多数达不到满幅输出,或比较后的边沿时间过长,因此设计中少用运放做比较器为佳

运放和比较器的区别

  比较器和运放虽然在电路图上符号相同,但这两种器件确有非常大的区别,一般不可以互换,区别如下:

  1、比较器的翻转速度快,大约在 ns 数量级,而运放翻转速度一般为 us 数量级(特殊的高速运放除外)。

  2、运放可以接入负反馈电路,而比较器则不能使用负反馈,虽然比较器也有同相和反相两个输入端,但因为其内部没有相位补偿电路,所以,如果接入负反馈,电路不能稳定工作。内部无相位补偿电路,这也是比较器比运放速度快很多的主要原因。

  3、运放输出级一般采用推挽电路,双极性输出。而多数比较器输出级为集电极开路结构,所以需要上拉电阻,单极性输出,容易和数字电路连接。

  (3)比较器(LM339 和 LM393)输出是集电极开路(OC)结构, 需要上拉电阻才能有对外输出电流的能力 . 而运放输出级是推挽的结构, 有对称的拉电流和灌电流能力 . 另外比较器为了加快响应速度, 中间级很少, 也没有内部的频率补偿 . 运放则针对线性区工作的需要加入了补偿电路 . 所以比较器(LM339 和 LM393)不适合作运放用。

  运放在开关电源中主要用于反馈电路、过流保护的采样放大等等。

比较器没有输出,不能输出高电平
以常用的比较器LM339为例,它的输出端一直是低电平,无论输入的电平怎样变化,输出始终是低电平,怎么回事呢?

我们来看一下它的文档,下图是其内部电路原理图。

可以看到OUT脚是集电极开路输出,也就是常说的OC输出,内部没有上拉电阻。所以,当我们的电路外围没有设计上拉电阻的时候,OUT脚始终会是低电平。

下图是厂家给出的参考设计:

可见除了有一个上拉电阻外,还有一个对地的负载电容,其容量是15pF。选择合适的上拉电阻阻值,使流过的电流为1uA~4mA,一般选10K就可以了。

评论
添加红包

请填写红包祝福语或标题

红包个数最小为10个

红包金额最低5元

当前余额3.43前往充值 >
需支付:10.00
成就一亿技术人!
领取后你会自动成为博主和红包主的粉丝 规则
hope_wisdom
发出的红包

打赏作者

学海无涯_come on

你的鼓励是我最大的动力

¥1 ¥2 ¥4 ¥6 ¥10 ¥20
扫码支付:¥1
获取中
扫码支付

您的余额不足,请更换扫码支付或充值

打赏作者

实付
使用余额支付
点击重新获取
扫码支付
钱包余额 0

抵扣说明:

1.余额是钱包充值的虚拟货币,按照1:1的比例进行支付金额的抵扣。
2.余额无法直接购买下载,可以购买VIP、付费专栏及课程。

余额充值