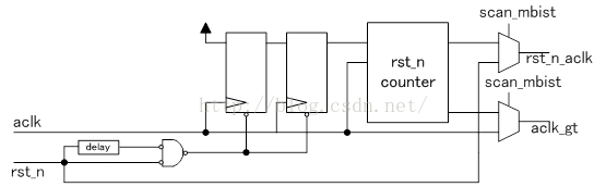
Resetdistribution tree by clock
The reset distribution treerequires almost as much attention as a clock distribution tree, because thereare generally as many reset-input loads as there are clock-input loads in a typicaldigital design, the timing requirements for reset tree are common for both synchronousand asynchronous reset styles. And we can use a qualified clock to insteadreset tree
本文探讨了复位树在数字设计中的重要性及其与时钟树的相似之处。通常情况下,复位输入负载的数量几乎与时钟输入负载相当。对于同步及异步复位风格,复位树的定时要求相同。文章还提到了使用合格的时钟信号来替代复位树的可能性。
1万+

被折叠的 条评论
为什么被折叠?



