一、智能柔性充电堆介绍
1、什么是智能柔性充电堆
智能相对于充电堆的控制实现方式,2014奥特迅率先推出矩阵式的概念,首先是矩阵式其实不是奥特迅首用,行业内很多的充电桩制造商都在用,只是矩阵的多少而已,但是奥特迅采用固定和动态相结合的方式,在固定功率区无法实现动态分配,调度效率低。后来各家在此基础上进行创新改进,例如海汇德采用分时复用方法,但是功率需要根据一定的顺序进行流水线分配,无法解决大功率充电需求同时共存的问题;特来电采用半导体+继电器组合实现全矩阵,继电器数量多,成本高;星星采用PDU分配方式,多枪充电时需要使用多个PDU实现,经济效益差,电气配线重复率高;有些厂家采用接触器和继电器,但是使用寿命有限;绿能慧充首创环形分配方式。
柔性这个概念,柔性指的是在充电过程中让电流的变化曲线平缓,以全数字化智能充电模块为核心建成的集中式充电站设施,由充电堆本体和充电终端、站级监控和收费系统等部分组成。它可以根据充电车辆BMS所发出的充电需求,动态分配充电功率,满足各种车型充电的不同功率需求,提高了充电设施的能量转换效率及设备利用率。同时,还满足了电池大倍率充电的需求,能适应车载动力电池技术的迅速发展,使现在投资的充电设备在未来得以持续使用

电动汽车充电堆本质上是把充电堆内部的功率模块融合为一个“共享功率池”,充电堆所对应的 所有充电终端“共享”功率池内的功率模块,其工作原理如下:电动汽车将所需的充电需求通知给充电终端, 充电终端根据需求向智能调度模块申请所需功率, 智能调度模块根据“共享功率池”内的可分配模块数量调度给对应的充电终端,充电终端控制、调节分配的充电模块按电动汽车需求的电压、电流为其充电。由于“共享功率池”的存在,很好地适应了电动汽车大小功率长期共存的现象,解决了充电设备无法自动匹配功率的难题。同时,由于充电堆将整站充电模块整合在一起,可以很容易地实现兆瓦级充电需求,故能很好地适应充电技术未来大功率充电的发展方向。要实现解决充电设备更宽的输出电压范围、更高的恒功率区间比以及全范围更高的转换效率,必须在充电模块的电路拓扑方面进行创新。

目前,行业内已经在研究的多种两级整流串并输出控制方案,即通过变压器两个副边绕组分别连接整流桥后, 通过串联和并联控制,分别实现低压区间的大电流输出和高压区间的高电压输出,且大幅提升充电模块的输出电压范围和恒功率区间占比,并能实现全电压范围的高转换效率。电动汽车充电堆采用高度集成化设计和多重功率自动分配策略,可以在充电准备阶段、充电过程中根据车辆需求动态调整分配功率,也可根据配电变压器实时功率对整站进行必要的功率限制,并且可以将充电、配电、监控设备集成在一个集装箱内, 在厂内即完成安装调试,大幅缩短现场建设周期和场地2、智能柔性充电堆发展
2、智能柔性充电堆技术分类
(1)按照电路拓扑结构分为矩阵形拓扑结构和星环形拓扑结构
以奥特迅为代表的众多企业采取矩阵形拓扑结构,奥特迅于2014推出了第二代充电设备--矩阵式柔性充电堆。此技术实现了功率共享、按需分配,可满足不同车型不同功率电动汽车的充电需求,同时还满足了未来电池技术发展、电池充电倍率不断提升带来的超大功率需求,具有极大的经济效益和社会效益。

以绿能慧充为代表首创星环功率分配技术,将多组第一直流接触器串联形成环形结构,功率获取方式更加灵活,减少充电设备需要设置的直流接触器,降低充电设备成本,并提升设备运营效率,增加客户收益。

(2)按照开关组数量可以分为全矩阵和半矩阵功率分配
以特来电的PDU为例用IGBT+继电器做成了全矩阵。

另外一种为半矩阵功率分配

二、智能柔性充电堆技术介绍
1、深圳奥特迅
奥特迅矩阵式柔性充电堆动态充电在满足固定模块功率的前提下,和充电请求功率进行比较,通过矩阵控制器动态的分配功率。将动态功率区的模块连接到对应直流母线上,同步将模块通信线切换到对应的通信总线

工作逻辑
(1)根据汽车充电请求功率,计算充电模块数量,确认固定模块数量和动态分配模块数量,以40KW模块为例,请求800V/300A,则需要2个固定模块和4个动态模块
(2)汽车充电请求功率降低为800V/200A时,充电模块输出功率为27KW
(3)汽车充电请求功率降低为800V/350A时,动态分配模块数量增加1个,则需要2个固定模块和5个动态模块
2、绿能慧充
以10把枪16个充电模块和32组开关组成的多枪群充系统六芒星式矩阵拓扑结构

工作逻辑
(1)如果使用四把枪同时给车辆充电,请求电压、电流为800V/200A,按照40KW的功率模块计算,则需要4个,此时拓扑连接路径如下

(2)如果另外6把枪同时给车辆充电,请求电压、电流为400V/200A 、800V/200A 、600V/200A 、400V/200A 、800V/250A,按照40KW的功率模块计算,则分别需要模块2个、4个、3个、2个、5个,此时拓扑连接路径如下

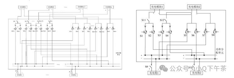
3、特来电
根据汽车充电请求功率智能分配重充电模块个数,采用IGBT和接触器,两条直流输出母线构成智能分配系统,实现多模块输入,多枪输出的功能

工作逻辑
(1)根据汽车充电请求功率,计算充电模块数量,先建立第一个充电桩的输出功率,闭合相应的IGBT和接触器,闭锁第一个充电枪。
(2)根据第二个充电功率请求,完成闭锁第二个充电枪。
4、星星充电
全矩阵的充电分配拓扑,解决了在满足所有充电均能充电的前提下,优先满足先充电车辆的请求,按车辆的充电需求和整体运行策略的优先级,实时进行功率柔性分配,遵循先到先得的逻辑,提高功率模块的利用率

工作逻辑
(1)充电过程中,任何一把枪停止工作,按照充电先后顺序,把后面的充电枪的顺序前移。
(2)初始充电过程中,功率模块的工作顺序按照模块地址依次进行功率切换
(3)在所有充电枪均能工作的情况下,充电枪功率需求的优先级从高到低,先充电为最高。
5、海汇德
通过分时复用的策略,比较汽车请求和功率模块的关系,根据当前模块的空闲状态实现智能化分配

工作原理
(1)上电立刻检测辅助触点状态,判定开关组的初始状态
(2)比较模块功率和请求功率的大小,确定需要连接的模块数量
(3)检测空闲模块,智能控制模块的连接状态,实现功率分配
6、华为
通过全矩阵的方式,按照电动汽车实际需要的充电功率堆充电模块进行动态分配,通过多个充电枪可以同时给多辆汽车同时充电

工作原理
(1)第三个充电枪的最大功率介于第一充电枪最大输出功率和第二充电枪最大输出功率之间
三、智能柔性充电堆未来
1、智能柔性充电堆优势
(1)功率共享:未来可满足电动汽车大功率快速充电的需求,避免了设备升级改造或充电站重新建造所产生的重复投入。
(2)智能调度:采用全数字化智能充电模块,具有高功率、高功率密度、高功率因数、高效率、低谐波、智能化程度高等突出优点,尤其适用于电动汽车大功率充电。
(3)矩阵控制:矩阵式柔性充电堆是基于功率单元矩阵控制,以全数字化智能充电模块为核心建成的集中式充电站设施。
(4)柔性充电:根据充电车辆BMS所发出的充电需求,动态分配充电功率,从而提高充电设备的使用率。伴随着快充电池以及车型的升级,柔性充电堆是电源集群,可以按需分配充电功率,满足更高功率的充电需求;此外,后续即使电动车快充技术迭代,也可以通过升级充电堆来满足更高功率的充电需求,解决“向上兼容”问题。
(5)高度集成:集功率变换、动态功率分配、站级监控、有序充电管理、新能源发电及储能系统接入、冷却控制、综合布线于一体的高度集成系统。
(6)平滑扩展:随着电池充电倍率的提升,充电功率需求的增大,可扩充相应充电模块以满足充电的需求。
(7)快速部署:矩阵式柔性充电堆具有集中化、预装式的特点,可大量节省现场安装调试时间,缩短建设工期。
(8)节能高效:采用高效模块,效率达到96%以上,并且可以工作在最佳的负载率区间。
(9)显著降低投资成本:柔性充电堆解决“向上兼容”问题,无需担心前期投资建设的充电桩不匹配后续更高功率车型充电需求,无需重复增加后续投资,显著降低投资成本,提升充电桩建设意愿

650

被折叠的 条评论
为什么被折叠?



