简介
DMA 是所有现代计算机的重要特色,它允许不同速度的硬件设备进行沟通,而不需要依于中央处理器
的大量中断负载。否则,中央处理器需要从来源把每一片段的数据复制到寄存器,然后把它们再次写回到新的地方。在这个时间里,中央处理器就无法执行其它的任务。DMA 是用硬件实现存储器与存储器之间或存储器与 I/O 设备之间直接进行高速数据传输。使用 DMA时,CPU 向 DMA 控制器发出一个存储传输请求,这样当 DMA 控制器在传输的时候,CPU 执行其它操作,传输操作完成时 DMA 以中断的方式通知 CPU。为了发起传输事务,DMA 控制器必须得到以下数据:
• 源地址 — 数据被读出的地址
• 目的地址 — 数据被写入的地址
• 传输长度 — 应被传输的字节数

DMA 存储传输的过程如下:
- 为了配置用 DMA 传输数据到存储器,处理器发出一条 DMA 命令
- DMA 控制器把数据从外设传输到存储器或从存储器到存储器,而让 CPU 腾出手来做其它操作。
- 数据传输完成后,向 CPU 发出一个中断来通知它 DMA 传输可以关闭了。
ZYNQ 提供了两种 DMA,一种是集成在 PS 中的硬核 DMA,另一种是 PL 中使用的软核 AXI DMA IP。在 ARM APU 设计的过程中,已经考虑到了大量数据搬移的情况,因此在 APU 中自带了一个 DMA 控制器 DAMC,这个 DAMC 驻留在 PS 内,而且必须通过驻留在内存中的 DMA 指令编程,这些程序往往由CPU 准备,因此需要部分的 CPU 参与。DMAC 支持高达 8 个通道,所以多个 DMA 结构的核可以挂在单个DMAC 上。DAMC 与 PL 的连接是通过 AXI_GP 接口,这个接口最高支持到 32 位宽度,这也限制了这种模式下的传输速率,理论最高速率为 600MB/s。这种模式不占用 PL 资源,但需要对 DMA 指令编程,会增加软件的复杂性。
为了获取更高的传输速率,可以以空间换时间,在 PL 中添加 AXI DMA IP 核,并利用 AXI_HP 接口完成高速的数据传输。
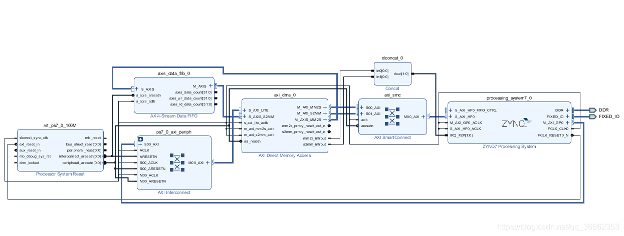
可以看到 DMA 的数据传输经 S_AXI_HP 接口(以下简称 HP 接口)。ZYNQ 拥有 4 个 HP 接口,提供了 ZYNQ 内最大的总带宽。每一个 HP 接口都包含控制和数据 FIFO。这些 FIFO 为大数据量突发传输提供缓冲,让 HP 接口成为理想的高速数据传输接口。对 DMA 的控制或配置通过 M_AXI_GP 接口,传输状态通过中断传达到 PS 的中断控制器。下面我们简单的介绍下 PL 的 DMA,即 AXI DMA IP 核。AXI Direct Memory Access (AXI DMA)IP 内核在 AXI4 内存映射和 AXI4-Stream IP 接口之间提供高带宽直接储存访问。其可选的 scatter gather 功能还可以从基于处理器的系统中的中央处理单元(CPU)卸载数据移动任务。初始化、状态和管理寄存器通过 AXI4-Lite 从接口访问。核心的功能组成如下图所示:

AXI DMA 用到了三种总线,AXI4-Lite 用于对寄存器进行配置,AXI4 Memory Map 用于与内存交互,又分为 AXI4 Memory Map Read 和 AXI4 Memory Map Write 两个接口,一个是读一个是写。AXI4 Stream 接口用于对外设的读写,其中 AXI4 Stream Master(MM2S,Memory Map to Stream)用于对外设写,AXI4-Stream Slave(S2MM,Stream to Memory Map)用于对外设读。总之,在以后的使用中需要知道 AXI_MM2S 和AXI_S2MM 是存储器端映射的 AXI4 总线,提供对存储器(DDR3)的访问AXIS_MM2S 和AXIS_S2MM是 AXI4-streaming 总线,可以发送和接收连续的数据流,无需地址。AXI DMA 提供 3 种模式,分别是 Direct Register 模式、Scatter/Gather 模式和 Cyclic DMA 模式,这里我们简单的介绍下常用的 Direct Register 模式和 Scatter/Gather 模式。Direct Register DMA 模式也就是 Simple DMA。Direct Register 模式提供了一种配置,用于在 MM2S 和S2MM 通道上执行简单的 DMA 传输,这需要更少的 FPGA 资源。Simple DMA 允许应用程序在 DMA 和Device 之间定义单个事务。它有两个通道:一个从 DMA 到 Device,另一个从 Device 到 DMA。应用程序必须设置缓冲区地址和长度字段以启动相应通道中的传输。Scatter/Gather DMA 模式允许在单个 DMA 事务中将数据传输到多个存储区域或从多个存储区域传输数据。它相当于将多个 Simple DMA 请求链接在一起。SGDMA 允许应用程序在内存中定义事务列表,硬件将在应用程序没有进一步干预的情况下处理这些事务。在此期间,应用程序可以继续添加更多工作以保持硬件工作。用户可以通过轮询或中断来检查事务是否完成。SGDMA 处理整个数据包(被定义为表示消息的一系列数据字节)并允许将数据包分解为一个或多个事务。例如,采用以太网 IP 数据包,该数据包由 14 字节的报头后跟 1 个或多个字节的有效负载组成。使用 SGDMA,应用程序可以将 BD(Buffer Descriptor,用于描述事务的对象)指向报头,将另一个 BD 指向有效负载,然后将它们作为单个消息传输。这种策略可以使TCP / IP 堆栈更有效,它允许将数据包标头和数据保存在不同的内存区域,而不是将数据包组装成连续的内存块。
BD设计

软件设计
#include "dma_intr.h"
#include "sys_intr.h"
static XScuGic Intc; //GIC中断控制器
static XAxiDma AxiDma;
int Tries = 6;
int i;
int Index;
u8 *TxBufferPtr = (u8 *) TX_BUFFER_BASE;
u8 *RxBufferPtr = (u8 *) RX_BUFFER_BASE;
u8 Value;
int axi_dma_test();
int main(void)
{
DMA_Intr_Init(&AxiDma, 0); //DMA初始化
Init_Intr_System(&Intc); //系统初始化
Setup_Intr_Exception(&Intc); //使能硬件中断
DMA_Setup_Intr_System(&Intc, &AxiDma, TX_INTR_ID, RX_INTR_ID); //注册DMA收发中断
DMA_Intr_Enable(&Intc, &AxiDma); //使能系统中断
axi_dma_test();
}
int axi_dma_test()
{
int Status;
TxDone = 0;
RxDone = 0;
Error = 0;
xil_printf("\r\n----DMA Test----\r\n");
xil_printf("PKT_LEN=%d\r\n", MAX_PKT_LEN);
for (i = 0; i < Tries; i++) {
Value = 0x55 + (i & 0xFF);
for (Index = 0; Index < MAX_PKT_LEN; Index++) {
TxBufferPtr[Index] = Value;
Value = (Value + 1) & 0xFF;
}
Xil_DCacheFlushRange((u32) TxBufferPtr, MAX_PKT_LEN); //数据刷新到DDR中
Status = XAxiDma_SimpleTransfer(&AxiDma, (u32) TxBufferPtr, //配置发送通道
MAX_PKT_LEN, XAXIDMA_DMA_TO_DEVICE);
if (Status != XST_SUCCESS) {
return XST_FAILURE;
}
Status = XAxiDma_SimpleTransfer(&AxiDma, (u32) RxBufferPtr, //配置接收通道
MAX_PKT_LEN, XAXIDMA_DEVICE_TO_DMA);
if (Status != XST_SUCCESS) {
return XST_FAILURE;
}
while (!TxDone || !RxDone) {
} //等待收发中断都到达
TxDone = 0;
RxDone = 0;
Xil_DCacheInvalidateRange((u32) RxBufferPtr, MAX_PKT_LEN); //刷新cache,观察DDR的最新数据
if (Error) {
xil_printf("failed\n");
return XST_FAILURE;
}
}
DMA_DisableIntrSystem(&Intc, TX_INTR_ID, RX_INTR_ID); //失能DMA中断
xil_printf("--- Exiting Test --- \r\n");
return XST_SUCCESS;
}
这里只给了主要代码,其他函数代码没有贴上来。

1061

被折叠的 条评论
为什么被折叠?



