一、晶振工作原理
晶振具有压电效应,即在晶片两极外加电压后晶体会产生变形,反过来如外力使晶片变形,则两极上金属片又会产生电压。如果给晶片加上适当的交变电压,晶片就会产生谐振(谐振频率与石英斜面倾角及厚薄等有关)。晶振利用一种能把电能和机械能相互转化的晶体,在共振的状态下工作可以提供稳定、精确的单频振荡。在通常工作条件下,普通的晶振频率绝对精度可达百万分之五十。利用该特性,晶振可以提供较稳定的脉冲,广泛应用于微芯片的时钟电路里。晶片多为石英半导体材料,外壳用金属封装。
二、晶振的主要参数
1.标称频率:指晶体规格书中所指定的频率。晶振常用标称频率在1~200MHz之间,若要获得更高的输出频率则常用PLL(锁相环)将低频进行倍频来获得。
2.频率精度、频率稳定度:用单位ppm来表示,即百万分之一(1/106),是相对标称频率的变化量,此值越小表示精度越高。如24MHz晶振偏差为±20ppm,表示它的频率偏差为24MHz×20ppm=±480Hz。
3.温度频差:指在特定温度范围内,工作频率相对于基准温度时工作频率的偏离,单位也是ppm。
4.负载电容CL:它是电路中跨接晶体两端的总的有效电容(不是晶振外接的匹配电容),主要影响负载谐振频率和等效负载谐振电阻,与晶体一起决定振荡器电路的工作频率,通过调整负载电容,就可以将振荡器的工作频率微调到标称值。负载电容是无源晶振非常重要的参数,因为无源晶体属于被动元器件,无源晶振自身并不能工作,需要外部元器件协助工作。

CS为晶体两个管脚间的寄生电容(Shunt Capacitance)
CD表示晶体振荡电路输出管脚到地的总电容,包括PCB走线电容CPCB、芯片管脚寄生电容CO、外加匹配电容CL2,即CD=CPCB+CO+CL2。
CG表示晶体振荡电路输入管脚到地的总电容,包括PCB走线电容CPCB、芯片管脚寄生电容CI、外加匹配电容CL1,即CG=CPCB+CI+CL1。
一般CS为1pF左右,CI与CO一般为几个皮法,具体可参考芯片或晶振的数据手册。
注意:负载电容不等于匹配电容。
三、晶振的等效电路和阻抗频率特性

其中:C为动态等效串联电容;L为动态等效串联电感;R为动态等效串联电阻,它是晶体内部摩擦性当量;C0为静态电容,相当于两个电极板之间的电容量;
1.当R、L、C串联支路发生串联谐振时,其该支路的容抗与感抗相互抵消(XC=XL),即该支路相当于只有等效串联电阻R。其串联谐振等效电路如下:

①谐振频率(fS):它在高稳晶振的设计中,是作为晶振稳定工作于标称频率、确定频率调整范围、设置频率微调装置等要求时的设计参数(但不是标称频率),其表达式如上:
②品质因数:当信号振幅不随时间变化时,系统储存能量和每个周期外界所提供能量的比例。它是反映谐振器性能好坏的重要参数,它与R、L、C关系如下:

R越大,Q值越低,会导致频率不稳定,反之,Q值越高,频率越稳定,石英晶体的特点在于它具有很高的品质因素(可达百万数量级)。
2.等效电路并联谐振(并联谐振频率fL):此时串联支路呈现为感抗,相当于一个电感,其并联谐振等效电路如下:

通常晶振元件数据手册中给出的标称频率不是Fr或FL,实际的晶体元件应用于振荡电路时,它一般还会与负载电容相连接,共同作用使晶体工作于Fr和FL之间的某个频率,这个频率由振荡电路的相位和有效电抗确定,通过改变电路的电抗条件,就可以在有限的范围内调节晶体频率。
①负载电容与晶体串联时,C远远小于C0+CL。

②负载电容与晶体并联时。

若给一定的负载电容值,F’r与F’L两个频率可以达到相同,这个频率是晶振的绝大多数应用时所表现的实际频率,也是制造厂商为满足用户对产品符合标称频率要求的测试指标参数,也就是晶振的标称频率。
四、晶振的分类
1.有源晶振
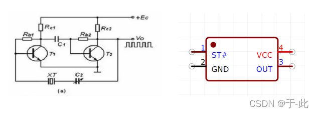
有源晶振一般有4只引脚,是一个完整的振荡器,里面除了石英晶体外,还有晶体管和阻容元件。有源晶振不需要DSP的内部振荡器,信号质量好,比较稳定,而且连接方式相对简单(主要是做好电源滤波,通常使用一个电容和电感构成的PI型滤波网络,输出端用一个小阻值的电阻过滤信号即可),不需要复杂的配置电路。相对于无源晶体,有源晶振的缺陷是其信号电平是固定的,需要选择好合适输出电平,灵活性较差,价格相对较高。对于时序要求敏感的应用,还是有源的晶振好,因此可以选用比较精密的晶振,甚至是高档的温度补偿晶振。如下图是一个串联型振荡器电路。

2.无源晶振
无源晶振一般是2个引脚的无极性元件,需要借助于时钟电路才能产生振荡信号,自身无法振荡起来 无源晶振需要用DSP片内的振荡器。无源晶振没有电压的问题,信号电平是可变的,也就是说是根据起振电路来决定的,同样的晶振可以适用于多种电压,可用于多种不同时钟信号电压要求的DSP,而且价格通常也较低,因此对于一般的应用如果条件许可建议用晶体,这尤其适合于产品线丰富批量大的生产者。无源晶振相对于晶振而言其缺陷是信号质量较差,通常需要精确匹配外围电路(用于信号匹配的电容、电感、电阻等),更换不同频率的晶体时周边配置电路需要做相应的调整。使用时建议采用精度较高的石英晶体,尽可能不要采用精度低的陶瓷晶体。
如下图所示并联型振荡器电路,晶振的两个引脚与芯片(如单片机)内部的反相器相连接,再结合外部的匹配电容CL1、CL2、R1、R2,组成一个皮尔斯振荡器(Pierce oscillator)。

石英晶体与 C1, C2 两电容构成π型网络形式的带通滤波器,约在石英晶体的共振频率上,提供 180 度相移与所需的电压增益。在发生震荡的频率上,石英晶体呈现电感性,可视为是具有高 Q 值的电感。π型网络的 180 度相移加上反相器的负增益,合起来成为正的环增益(正反馈),使 Rf 所设定的偏压无法稳定而导致震荡。
R1的作用:①电阻会与 C1 造成些许额外的相移,抑制高频混附(spurious)振荡,以获得干净的输出讯号。②降低石英晶体的驱动功率,以防止超过石英晶体的容许驱动功率而加速老化或造成破损,尤其是对低功率的石英晶体。
Rf的作用:Rf是反馈电阻(一般≥1MΩ),它使反相器在振荡初始时处于线性工作区。有时不加Rf晶振也能正常起震,但加Rf会使电路更加稳定。
本文详细介绍了石英晶体振荡器的工作原理,包括压电效应和谐振特性,并探讨了主要参数如标称频率、频率精度、温度频差和负载电容。此外,还讲解了晶振的等效电路和阻抗频率特性,以及有源和无源晶振的区别。通过对晶振分类的讨论,展示了它们在不同应用场景中的适用性。
2969

被折叠的 条评论
为什么被折叠?



