永磁同步电机控制算法--最大转矩电流比控制(虚拟直流信号注入法)

本篇文章简要介绍一下在基于虚拟直流注入的MTPA方法

一、原理介绍

为了进一步提高内置式永磁同步电动机( IPMSM)的MTPA控制效果,针对现有基于虚拟正弦信号注入的MTPA控制方法存在的不足,提出了改进的基于虚拟直流信号注入的MTPA控制方法,避免使用滤波器,能够获得快速的MTPA轨迹跟踪性能

下图为基于虚拟直流新号注入的MTPA控制系统原理框图

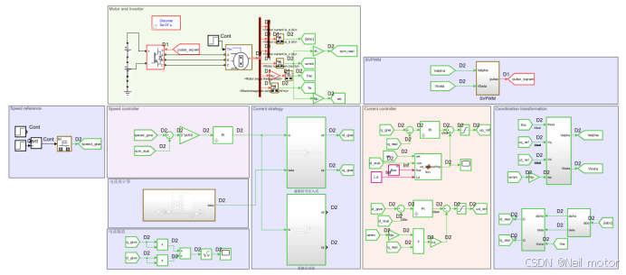
二、仿真模型

在MATLAB/simulink里面验证所提算法,搭建虚拟直流信号注入式MTPA仿真。采用和实验中一致的控制周期1e-4,电机部分计算周期为1e-6。仿真模型如下所示:

仿真工况:0速半载启动,0.5s施加额定负载

2.1 转速

 

在整个过程中电机转速波动很小,证明该算法稳定性良好。

2.2 dq轴电流

2.3 电磁转矩

2.4 电流幅值 

IPMSM本体参数依赖性小,对比基于虚拟正弦信号注入的MTPA控制方法,该方法还可避免滤波器的使用,从而获得快速准确的跟踪性能,提高MTPA控制的效果。 

评论
添加红包

请填写红包祝福语或标题

红包个数最小为10个

红包金额最低5元

当前余额3.43前往充值 >
需支付:10.00
成就一亿技术人!
领取后你会自动成为博主和红包主的粉丝 规则
hope_wisdom
发出的红包
实付
使用余额支付
点击重新获取
扫码支付
钱包余额 0

抵扣说明:

1.余额是钱包充值的虚拟货币,按照1:1的比例进行支付金额的抵扣。
2.余额无法直接购买下载,可以购买VIP、付费专栏及课程。

余额充值