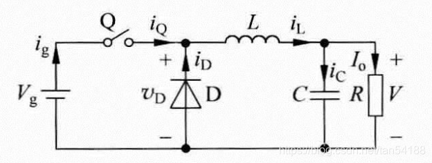
在不隔离的DCDC开关变换器中,BUCK变换器是最基础的一个变换器。为一个单开关拓扑(一个电子开关、一个二极管、一个电感以及一个电容)。如下图所示:

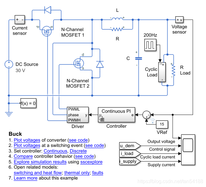
这里以matlab上面的buck拓扑为例子(在matlab的help里面可以搜索到该例程):

该拓扑的主要作用是将输入电压降压。输出的电流比输入的电流大,输出的电压比输入的电压小。电压满足以下公式:
(其中,D为占空比,切假设工作在连续模式)
工作在连续模式的条件为:
(其中,D为占空比,R为负载,L为电感,fs是开关频率)
ps:连续模式输入与输出的关系 和 断续模式下 很不一样。
好了~~~~现在看看仿真的结果吧。(下面是运行时候输出相关参数的变化情况)

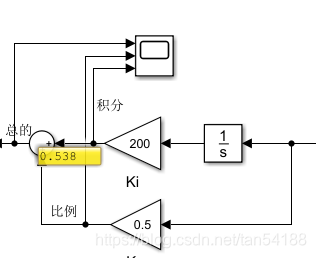
以下是PI的控制部分,以及PI各部分的变化情况。


总的pi输出应该是P加I的结果。比例环节是一个瞬时反应的量(参考与测量的差的比例),因此它的反应是最敏感的。而I积分环节是一个滞后的环节,属于一个累计量。
因此在设置参数的时候一般比例环节的系数都比较大,积分环节的系数都比较小。
个人理解:
比例环节是一个快速反应的量,起到的作用是瞬时的调节,动态稳定的作用。
积分环节是一个慢速的累计,作用是将测量值最终稳定在参考值的作用。
也就是说,可以看成比例环节的结果会缓慢的 传递到积分环节中去。最终以p为0 积分为参考值稳定住。
因此,要特别小心P值不要设置太小或者太大。p和i的比例也要保证有一定的数值。要给比例一定时间累计上来的时间。
因此在设定阈值的时候因该提早算下,参考值和测量值最坏的情况下的比例输出是否系统可以承受住。积分的最大值 是否满足在稳定 状态下 抖动 幅度要求。
本文详细介绍了DCDC BUCK变换器的工作原理,它是一种基础的降压转换拓扑,由电子开关、二极管、电感和电容组成。在连续模式下,输出电压与输入电压、占空比D和电感电流有关。文中通过MATLAB仿真展示了变换器的参数变化,并讨论了PI控制器的比例和积分环节在调节系统稳定性中的作用。设置PI参数时需注意比例和积分系数的比例,以确保系统的动态响应和稳定性。
4495

被折叠的 条评论
为什么被折叠?



