1 阻塞赋值与非阻塞赋值
1.1 何为“阻塞”?
所谓“阻塞”,可以理解为阻止顺序语句块中其他语句的执行。例如,在一个块语句中,如果含有多条阻塞式赋值语句,当执行到其中某条语句时,若该语句未执行完,那么其后面的语句将处于等待中,不会被执行,好像都被阻塞了一样。
1.2 阻塞式赋值“=”
计算完“=”右边的值之后,立刻更新“=”左边的值。
1.3 非阻塞式赋值“<=”
所有过程语句中的非阻塞赋值语句,必须在块语句执行结束时才会整体完成赋值更新。
非阻塞赋值只能用于对reg进行赋值,因此只能用在initial和always块等过程块中。
1.4 什么时候用阻塞赋值、非阻塞赋值?
①assign赋值语句中只能使用“=”,且等号左边的目标对象只能是wire型
②always语句中,两种赋值符号都可以使用,但等号左边的目标对象只能是reg型变量。
- 组合逻辑,always块中用阻塞赋值“=”,综合生成组合逻辑的电路结构,这种电路结构只与输入电平的变化有关。
- 时序逻辑,always块中用非阻塞赋值“<=”,综合成时序逻辑的电路结构,这种电路结构往往与触发沿有关,只在触发沿时才可能发生赋值的变化。
注意:在一个always块中,不要既用阻塞赋值又用非阻塞赋值。不允许在多个always块中对同一个变量进行赋值。
1.5 示例
- 阻塞语句赋值示例
`timescale 1ns / 1ps
module m1(
input sys_clk ,
input data ,
output reg y
);
reg A,B,C;
always@(posedge sys_clk)begin
A=data;
B=A;
C=B;
y=C;
end
endmodule

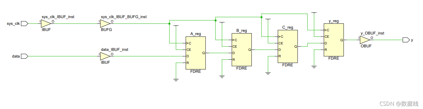
由综合后的RTL电路图可以看出,阻塞表达描述电路最后只用了一个D触发器
- 非阻塞语句赋值示例1
`timescale 1ns / 1ps
module m2(
input sys_clk ,
input data ,
output reg y
);
(* keep = "true" *) reg A,B,C;
always@(posedge sys_clk)begin
A<=data;
B<=A;
C<=B;
y<=C;
end
endmodule

非阻塞表达电路使用了4个D触发器。
因此,从输入端data到输出端y,如果采用阻塞赋值方式,需要一个clk时钟的时间;若采用非阻塞的表达方式,则需要4个clk时钟的时间。
- 非阻塞赋值示例2
`timescale 1ns / 1ps
module test1(
input clk,
input rst_n,
input a,
output reg [3:0] dec_reg
);
always@(posedge clk or negedge rst_n)begin
if(!rst_n)
dec_reg<=0;
else if(a==0)begin
dec_reg[0] <= 1'b1;
dec_reg[3:1] <= dec_reg[2:0];
end
else begin
dec_reg[0] <= 1'b0;
dec_reg[3:1] <= dec_reg[2:0];
end
end

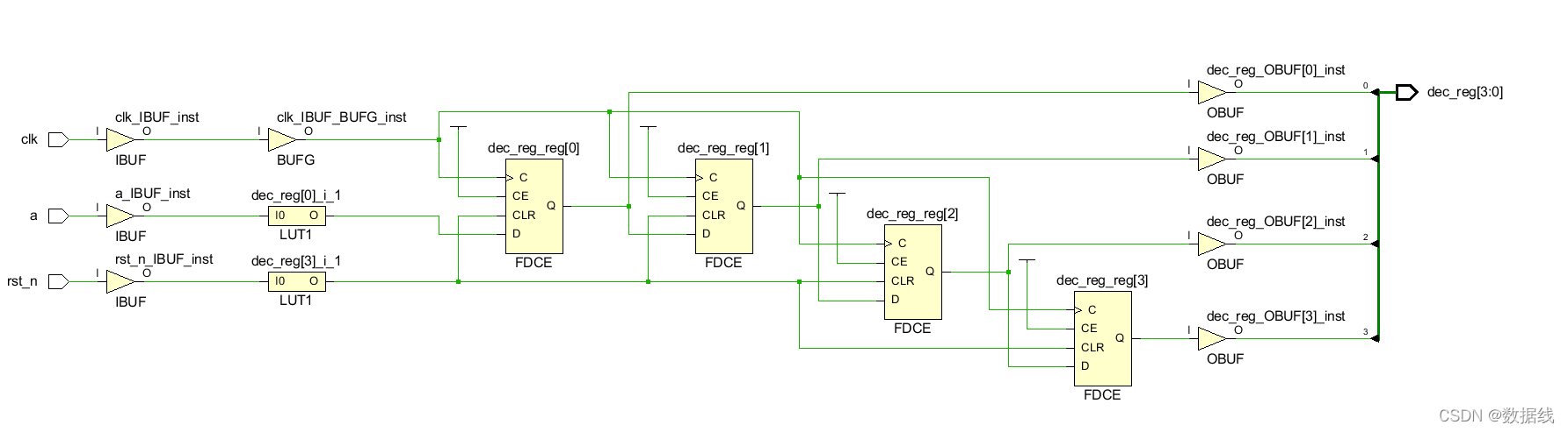
仔细观察电路可以发现,对于dec_reg的赋值
//写法1
dec_reg[0] <= 1'b0;
dec_reg[3:1] <= dec_reg[2:0];
//写法2
dec_reg[3:1] <= dec_reg[2:0];
dec_reg[0] <= 1'b0;
综合出来的电路图是完全相同的,这就是非阻塞赋值的效果。
因此,赋值语句顺序不会影响非阻塞赋值的结果,但会影响阻塞赋值语句的结果
2 电平触发与边沿触发
always块可以使用电平触发也可以使用边沿触发,电平触发往往对应组合逻辑,边沿触发往往对应时序逻辑
2.1 示例
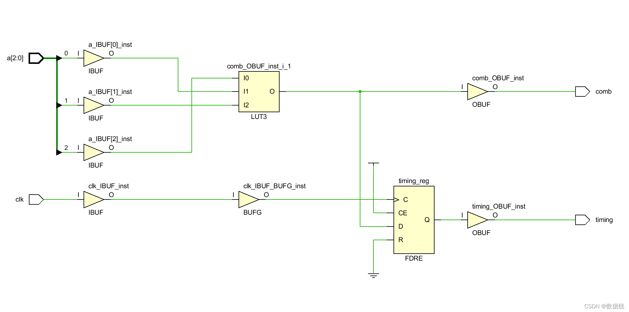
在这个例子中,timing变量通过边沿触发来赋值,comb通过电平触发来赋值
`timescale 1ns / 1ps
module test(
input clk,
input [2:0] a,
output reg timing,
output reg comb
);
always@(posedge clk )begin
if(a>2'd2)
timing<=1;
else
timing<=0;
end
always@(a)begin
if(a>2'd2)
comb=1;
else
comb=0;
end
endmodule
- 原理图

在原理图中可以看到,输入a经过LUT后分别给到了comb和timing_reg。同时需要注意的是,timing和comb虽然在代码中都被声明为reg类型的变量,但它们却被综合成了不同的电路,在时序逻辑中,reg被综合成触发器。在组合逻辑中,reg被综合成硬件连线。 - 真值表

真值表满足代码中所要求电路实现的功能,在a>0时输出1,否则输出0 - 时序

根据时序图,comb比timing早一拍变化,这与原理图中comb的赋值是组合逻辑,timing的赋值是时序逻辑是相对应的
本文详细介绍了VHDL中阻塞赋值(`=`)与非阻塞赋值(`<=`)的区别,包括何时选择阻塞与非阻塞,以及它们在组合逻辑和时序逻辑中的作用。通过实例对比,展示了阻塞赋值导致的单触发器电路和非阻塞赋值所需触发器数量的不同。此外,文章还讨论了电平触发与边沿触发在always块中的应用,以及它们如何影响电路结构和响应时间。
1万+

被折叠的 条评论
为什么被折叠?



