目录
一、CAN通讯
- CAN:数据控制局域网络,具有高性能、高可靠性特点
-
CAN的规范从CAN 1.2 规范(标准格式)发展为兼容CAN 1.2 规范的CAN2.0规范(CAN2.0A为标准格式,CAN2.0B为扩展格式),目前应用的CAN器件大多符合CAN2.0规范。
二、CAN总线特点
CAN总线是一种串行数据通信协议,其通信接口中集成了CAN协议的物理层和数据链路层功能,可完成对通信数据的成帧处理,包括位填充、数据块编码、循环冗余检验、优先级判别等项工作。CAN总线是车内电子装置中的一个独立系统,它就是数据线,用于在连接的控制单元之间进行信息交换。
- 可以多主方式工作,网络上任意一个节点均可以在任意时刻主动地向网络上的其他节点发送信息而不分主从。
- 网络上的节点(信息)可分成不同的优先级,可以满足不同的实时要求。
- 采用非破坏性位仲裁总线结构机制,当两个节点同时向网络上传送信息时,优先级低的节点主动停止数据发送,而优先级高的节点可不受影响地继续传输数据。
- 可以点对点、一点对多点(成组)及全局广播几种传送方式接收数据
- 直接通信距离最远可达10km(速率5Kbps以下)。
- 通信速率最高可达1Mbps(此时距离最长40m)。
- 节点数实际可达110个。
- 采用短帧结构,每一帧的有效字节数为8个。
- 每帧信息都有CRC校验及其他检错措施,数据出错率极低。
- 通信介质可采用双绞线,同轴电缆和光导纤维,一般采用廉价的双绞线即可,无特殊要求。
- 节点在错误严重的情况下,具有自动关闭总线的功能,切断它与总线的联系,以使总线上的其他操作不受影响。
CAN总线正常的一个重要前提条件是:车在任何工况均不应有CAN总线故障记录。
三、CAN总线在现代汽车上的应用
1、现代汽车电子技术的分类
- 单独控制系统:由一个电子控制单元(ECU)控制一个工作装置或系统的电子控制系统,如发动机控制系统、自动变速器等。
- 集中控制系统:由一个电子控制单元(ECU)同时控制多个工作装置或系统的电子控制系统。如汽车底盘控制系统。
- 控制器局域网络系统(CAN总线系统):由多个电子控制单元(ECU)同时控制多个工作装置或系统,各控制单元(ECU)的共用信息通过总线互相传递。

单独控制系统

集中控制系统

控制器局域网络系统
2、目前汽车上的网络连接方式
主要采用2条CAN:
一条用于驱动系统的高速CAN(CAN驱动总线),速率达到500kb/s。主要面向实时性要求较高的控制单元,如发动机、电动机等
另一条用于车身系统的低速CAN(CAN舒适总线),速率是100kb/s。主要是针对车身控制的,如车灯、车门、车窗等信号的采集以及反馈。其特征是信号多但实时性要求低,因此实现成本要求低。

3、CAN总线布置、结构和基本特点
CAN总线系统上并联有多个元件。这就要求整个系统的布置满足以下要求:
- 可靠性高:传输故障(不论是由内部还是外部引起的)应能准确识别出来
- 使用方便:如果某一控制单元出现故障,其余系统应尽可能保持原有功能,以便进行信息交换
- 数据密度大:所有控制单元在任一瞬时的信息状态均相同,这样就使得两控制单元之间不会有数据偏差。如果系统的某一处有故障,那么总线上所有连接的元件都会得到通知。
- 数据传输快:连成网络的各元件之间的数据交换速率必须很快,这样才能满足实时要求。
4、CAN总线数据交换基本原理
- 提高数据传递的可靠性:采用CAN-Hight、CAN-Low分别传输不同数据
- 在显性状态和隐性状态之间进行转换时CAN导线上的电压变化:在静止状态时,这两条导线上作用有相同预先设定值,该值称为静电平。对于CAN驱动数据总线来说,这个值大约为2.5V。静电平也称为隐性状态,因为连接的所有控制单元均可修改它。
在显性状态时,CAN-High线上的电压值会升高一个预定值(对CAN驱动数据总线来说,这个值至少为1V)。而CAN-Low线上的电压值会降低一个同样值(对CAN驱动数据总线来说,这个值至少为1V)。于是在CAN驱动数据总线上,CAN-High线就处于激活状态,其电压不低于3.5(2.5V+1V=3.5V),而CAN-Low线上的电压值最多可降至1.5V(2.5V-1V=1.5V)。
因此在隐性状态时,CAN-High线与CAN-Low线上的电压差为0V,在显性状态时该差值最低为2V。
5、CAN-BUS系统组成
- CAN收发器: 安装在控制器内部,同时兼具接受和发送的功能,将控制器传来的数据化为电信号并将其送入数据传输线。
- 数据传输终端:是一个电阻,防止数据在线端被反射,以回声的形式返回,影响数据的传输。
- 数据传输线:双向数据线,由高低双绞线组成。
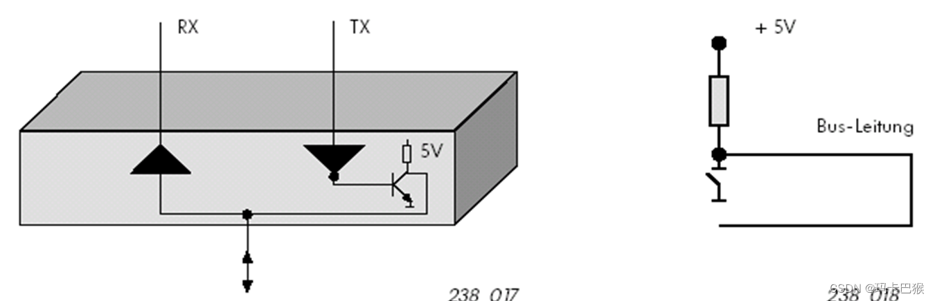
1、Canbus的收发器
Canbus上的控制器中发送信息的线路通过一个开路集电极和总线相连。

- Canbus的收发器如图所示,使用一个电路进行控制,这样也就是说控制单元在某一时间段只能进行发送或接受一项功能。
- 逻辑“1”:所有控制器的开关断开;总线电平为5Vor3.5V;Canbus未通讯。
- 逻辑“0”:某一控制器闭合;总线电平为0伏; Canbus进行通讯
2、2个以上控制器所组成的Canbus系统
当用2个以上的控制器连接在Canbus总线上(如图所示),用逻辑1来表示断开和用逻辑0表示闭合。不考虑其他总线规则情况下,总线会出现下图的情况:
- 任何开关闭合(显性电平),总线上的电压CAN-H为2.5~3.5V,CAN-l为1.5~2.5V
- 所有开关断开(隐性电平),总线上的电压Can-H、Can-L均为2.5V,电平为0

因此:
1.只要任何一个控制器激活,则总线激活
2.所有控制器关闭,总线处于未激活状态
激活的总线称为显性电平;
未激活的总线电平称为隐形电平
6、收发器内的CAN-H线和CAN-L线上的信号转换
控制单元是通过收发器联接到CAN驱动总线上的,在这个收发器内有一个接收器,该接收器是安装在接收一侧的差动信号放大器。
差动信号放大器用于处理来自CAN-High线和CAN-Low线的信号,除此以外还负责将转换后的信号传至控制单元的CAN接收区。这个转换后的信号称为差动信号放大器的输出电压。
差动信号放大器用CAN-High线上的电压(UCAN-High)减去CAN-Low线上的电压(UCAN-Low),就得出了输出电压,用这种方法可以消除静电平(对于CAN驱动数据总线来说是2.5V)或其它任何重叠的电压。


由于CAN-High线和CAN-Low线是扭绞在一起的(双绞线),所以干扰脉冲X就总是有规律地作用在两条线上。由于差动信号放大器总是用CAN-High线上的电压(3.5V-X)减去CAN-Low线上的电压(1.5V-X),因此在经过处理后,差动信号中就不再有干扰脉冲了。
7、信号电平
控制单元信号在收发器内的放大
收发器发送一侧的任务是将控制单元内的CAN控制器的较弱信号放大,使之达到CAN导线上的信号电平和控制单元输入端的信号电平。联接在CAN数据总线上的控制单元的作用就像是CAN导线上的一个负载电阻(因为装有电子元件)。这个负载电阻取决于联接的控制单元数量和其电阻。
收发器将CAN信号输送到CAN数据总线的两条导线上,相应地在CAN-High线上的电压就升高,而在CAN-Low线上的电压就降低一个同样大小的值。对于驱动CAN数据总线来说,一条导线上的电压改变值不低于1V,对于CAN舒适/Infotainment总线来说,这个值不低于3.6V。
四、Canbus基本构造
Canbus采用双绞线自身校验的结构,既可以防止电磁干扰对传输信息的影响,也可以防止本身对外界的干扰。系统中采用高低电平两根数据线,控制器输出的信号同时向两根通讯线发送,高低电平互为镜像(并非数据互为镜像)。并且每一个控制器都增加了终端电阻,已减少数据传送时的过调效应。


原则上CAN总线用一条导线就足以满足功能要求了,但该总线系统上还是配备了第二条导线。在这个第二条导线上,信号是按相反顺序传送的,这样可有效抑制外部干扰。
五、CAN导线的特点
各个CAN系统的所有控制单元都并联在CAN数据总线上。CAN数据总线的两条导线分别叫CAN-High和CAN-Low线。两条扭绞在一起的导线称为双绞线。控制单元之间的数据交换就是通过这两条导线来完成的,这些数据可能是发动机转速、油箱油面高度及车速等。

为了清楚起见CAN导线分别用单颜色来表示CAN-High线总是黄色,CAN-Low-线总是绿色 ,分别用于不同的数据传送

由于汽车不同控制器对CAN总线的性能要求不同,因此最新版本的CAN总线系统人为设定为5个不同的区域,分别为驱动系统、舒适系统、信息系统、多功能仪表、诊断总线等5个局域网。其速率分别为(Kbit/s):
驱动系统(由15号线激活):500; 舒适系统(由30号线激活):100
信息系统(由30号线激活):100; 诊断系统(由30号线激活):500
仪表系统(由15号线激活):100; Lin: 20
最大承载:1000
六、网关
网关:由于不同区域Canbus总线的速率和识别代号不同,因此一个信号要从一个总线进入到另一个总线区域,必须把它的识别信号和速率进行改变,能够让另一个系统接受,这个任务由网关(Gateway)来完成。另外,网关还具有改变信息优先级的功能。如车辆发生相撞事故,气囊控制单元会发出负加速度传感器的信号,这个信号的优先级在驱动系统是非常高,但转到舒适系统后,网关调低了它的优先级,因为它在舒适系统功能只是打开门和灯。
1096

被折叠的 条评论
为什么被折叠?



