前言
之前已经写过一篇关于LQR控制器的理解,但是在看了一些资料,重新思考复盘过,认为原先关于LQR的理解有一定的投机取巧成分。并且只阐述了连续系统下的相关公式推导,并没有对离散系统进行推导叙述。
但为了能够体现出两次思考的差别,便没有将原有博客删除或直接修改,而是新起一篇博客进行重新描述整个理解和公式推导过程,最后会给出仿真过程,并将仿真文件上传分享。
为了不做一些重复性赘述,默认读者掌握相关的基础知识
线性二次型控制器
- 状态空间方程
X ⃗ ′ = A X ⃗ + B U ⃗ Y = C X ⃗ \vec{X}' = A\vec{X} + B\vec{U}\\ Y=C\vec{X} X′=AX+BUY=CX
对于LQR来说,只需要讨论其状态转移方程,并且将连续系统转换成离散系统。对应的状态转移方程为
X ⃗ k + 1 = A D X ⃗ k + B D U ⃗ k \vec{X}_{k+1} = A_{D}\vec{X}_{k}+B_{D}\vec{U}_{k} Xk+1=ADXk+BDUk
这里简单讨论一下 A A A和 A D A_{D} AD, B B B和 B D B_{D} BD之间的关系,由于离散系统还与离散周期有关系,因此需要假定离散周期为 Δ T \Delta T ΔT,根据连续状态转移方程
X ⃗ ′ = X ⃗ k + 1 − X ⃗ k Δ T = A X ⃗ k + B U ⃗ k X ⃗ k + 1 − X ⃗ k = Δ T A X ⃗ k + Δ T B U ⃗ k X ⃗ k + 1 = ( E + Δ T A ) X ⃗ k + Δ T B U ⃗ k \vec{X}' = \frac{\vec{X}_{k+1} - \vec{X}_{k}}{\Delta T}=A\vec{X}_{k} + B\vec{U}_{k}\\ \vec{X}_{k+1} - \vec{X}_{k}=\Delta T A\vec{X}_{k}+\Delta T B\vec{U}_{k}\\ \vec{X}_{k+1} = (E+\Delta TA)\vec{X}_{k}+\Delta TB\vec{U}_{k} X′=ΔTXk+1−Xk=AXk+BUkXk+1−Xk=ΔTAXk+ΔTBUkXk+1=(E+ΔTA)Xk+ΔTBUk
即可以得到
A D = E + Δ T A B D = Δ T B A_{D} = E+\Delta T A \\ B_{D}=\Delta T B AD=E+ΔTABD=ΔTB
- 代价函数(Cost Function)
代价函数是用来描述LQR控制倾向的函数,通过调节权重矩阵来修改控制特性。另外,代价函数用于计算控制律,其中的权重矩阵最终都会影响控制律,进而影响控制效果。
代价函数的形式为
J = 1 2 X ⃗ ( t f ) T F X ⃗ ( t f ) + 1 2 ∫ t 0 t f ( X ⃗ T Q X ⃗ + U ⃗ T R U ⃗ ) d t J = \frac{1}{2}\vec{X}(t_f)^{T}F\vec{X}(t_f)+\frac{1}{2}\int_{t_0}^{t_f}{(\vec{X}^{T}Q\vec{X} + \vec{U}^{T}R\vec{U})dt} J=21X(tf)TFX(tf)+21∫t0tf(XTQX+UTRU)dt
其中, t f t_f tf为目标时刻, t 0 t_0 t0为初始时刻。矩阵 F F F为末端代价权重矩阵,用于描述末端状态向量的权重大小。矩阵 Q Q Q和矩阵 R R R分别状态向量 X ⃗ \vec{X} X和系统输入 U ⃗ \vec{U} U在过程代价中的权重。
由于是对离散系统进行LQR控制,因此也需要对代价函数进行离散化描述,可以得到
J = 1 2 X ⃗ ( N ) T F X ⃗ ( N ) + 1 2 ∑ k = 0 N − 1 ( X ⃗ ( k ) T Q X ⃗ ( k ) + U ⃗ ( k ) T R U ⃗ ( k ) ) J = \frac{1}{2} \vec{X}(N)^{T}F\vec{X}(N)+\frac{1}{2}\sum_{k=0}^{N-1}{ (\vec{X}(k)^{T}Q\vec{X}(k) + \vec{U}(k)^{T}R\vec{U}(k)) } J=21X(N)TFX(N)+21k=0∑N−1(X(k)TQX(k)+U(k)TRU(k))
这里我想详细阐述一些关于LQR特性的内容。根据这个离散代价函数,需要思考几个问题
- J J J的含义
代价函数 J J J代表了从 0 0 0时刻到 N N N时刻,这个过程中状态向量以及输入的累积值。- J J J的最优化代表什么
从代价函数的形式可以看出,其都是半正定矩阵,即 J ≥ 0 J \geq 0 J≥0。因此对 J J J求最优化,会使得状态向量向零向量收敛。- J J J的最优化结果是什么
用 J J J对输入 U ⃗ \vec{U} U进行求导,可以得到从一个输入向量的时间序列 { U 0 ⃗ , U 1 ⃗ , U 2 ⃗ . . . , U N − 1 ⃗ } \{\vec{U_0},\vec{U_1},\vec{U_2}...,\vec{U_N-1} \} {U0,U1,U2...,UN−1}。但是这显然不好求,太多自变量了,求偏导都得求到头大,因此需要使用一些数学方法来巧妙地实现最优求解。
- 递归特性
当 k = N k=N k=N时
J k = N = 1 2 X ⃗ ( N ) T F X ⃗ ( N ) J_{k=N} = \frac{1}{2} \vec{X}(N)^{T}F\vec{X}(N) Jk=N=21X(N)TFX(N)
很明显,最后一个时刻的代价函数值就是末端代价,末端代价即为N时刻代价函数的最优值 J k = N ∗ J^{*}_{k=N} Jk=N∗。
当 k = N − 1 k=N-1 k=N−1时
J k = N − 1 = 1 2 X ⃗ ( N ) T F X ⃗ ( N ) + 1 2 ( X ⃗ ( N − 1 ) T Q X ⃗ ( N − 1 ) + U ⃗ ( N − 1 ) T R U ⃗ ( N − 1 ) ) = J k = N + 1 2 ( X ⃗ ( N − 1 ) T Q X ⃗ ( N − 1 ) + U ⃗ ( N − 1 ) T R U ⃗ ( N − 1 ) ) J_{k=N-1} = \frac{1}{2} \vec{X}(N)^{T}F\vec{X}(N) + \ \frac{1}{2}(\vec{X}(N-1)^{T}Q\vec{X}(N-1) + \vec{U}(N-1)^{T}R\vec{U}(N-1)) \\ =J_{k=N}+ \frac{1}{2}(\vec{X}(N-1)^{T}Q\vec{X}(N-1) + \vec{U}(N-1)^{T}R\vec{U}(N-1)) Jk=N−1=21X(N)TFX(N)+ 21(X(N−1)TQX(N−1)+U(N−1)TRU(N−1))=Jk=N+21(X(N−1)TQX(N−1)+U(N−1)TRU(N−1))
当 k = N − 2 k=N-2 k=N−2时
J k = N − 2 = 1 2 X ⃗ ( N ) T F X ⃗ ( N ) + 1 2 ( X ⃗ ( N − 1 ) T Q X ⃗ ( N − 1 ) + U ⃗ ( N − 1 ) T R U ⃗ ( N − 1 ) ) + 1 2 ( X ⃗ ( N − 2 ) T Q X ⃗ ( N − 2 ) + U ⃗ ( N − 2 ) T R U ⃗ ( N − 2 ) ) = J k = N − 1 + 1 2 ( X ⃗ ( N − 2 ) T Q X ⃗ ( N − 2 ) + U ⃗ ( N − 2 ) T R U ⃗ ( N − 2 ) ) J_{k=N-2} = \frac{1}{2} \vec{X}(N)^{T}F\vec{X}(N) + \ \frac{1}{2}(\vec{X}(N-1)^{T}Q\vec{X}(N-1) + \vec{U}(N-1)^{T}R\vec{U}(N-1)) \\ +\frac{1}{2}(\vec{X}(N-2)^{T}Q\vec{X}(N-2) + \vec{U}(N-2)^{T}R\vec{U}(N-2))\\ =J_{k=N-1}+\frac{1}{2}(\vec{X}(N-2)^{T}Q\vec{X}(N-2) + \vec{U}(N-2)^{T}R\vec{U}(N-2)) Jk=N−2=21X(N)TFX(N)+ 21(X(N−1)TQX(N−1)+U(N−1)TRU(N−1))+21(X(N−2)TQX(N−2)+U(N−2)TRU(N−2))=Jk=N−1+21(X(N−2)TQX(N−2)+U(N−2)TRU(N−2))
很明显,不同时刻间的代价函数包含了下一时刻的代价函数,体现了非常强烈的递归特性。
根据贝尔曼最优理论,如果 k k k时刻的代价函数 J k J_{k} Jk是最优的,那么他包含的 J k + 1 J_{k+1} Jk+1一定是最优的。
从 k = N k=N k=N时刻开始,计算 N N N时刻的最优代价函数
J k = N ∗ = J k = N = 1 2 X ⃗ ( N ) T F X ⃗ ( N ) J^{*}_{k=N} = J_{k=N} = \frac{1}{2} \vec{X}(N)^{T}F\vec{X}(N) Jk=N∗=Jk=N=21X(N)TFX(N)
当 k = N − 1 k=N-1 k=N−1时,
J k = N − 1 = J k = N + 1 2 ( X ⃗ ( N − 1 ) T Q X ⃗ ( N − 1 ) + U ⃗ ( N − 1 ) T R U ⃗ ( N − 1 ) ) = 1 2 X ⃗ ( N ) T F X ⃗ ( N ) + 1 2 ( X ⃗ ( N − 1 ) T Q X ⃗ ( N − 1 ) + U ⃗ ( N − 1 ) T R U ⃗ ( N − 1 ) ) J_{k=N-1} =J_{k=N}+\frac{1}{2} { (\vec{X}(N-1)^{T}Q\vec{X}(N-1) + \vec{U}(N-1)^{T}R\vec{U}(N-1)) }\\ =\frac{1}{2} \vec{X}(N)^{T}F\vec{X}(N)+\frac{1}{2} { (\vec{X}(N-1)^{T}Q\vec{X}(N-1) + \vec{U}(N-1)^{T}R\vec{U}(N-1)) } Jk=N−1=Jk=N+21(X(N−1)TQX(N−1)+U(N−1)TRU(N−1))=21X(N)TFX(N)+21(X(N−1)TQX(N−1)+U(N−1)TRU(N−1))
又有
X ⃗ ( N ) = A X ⃗ ( N − 1 ) + B U ⃗ ( N − 1 ) \vec{X}(N)=A\vec{X}(N-1)+B\vec{U}(N-1) X(N)=AX(N−1)+BU(N−1)
对 U ⃗ ( N − 1 ) \vec{U}(N-1) U(N−1)求导
∂ J k = N − 1 ∂ U ⃗ ( N − 1 ) = ∂ X ⃗ ( N ) ∂ U ⃗ ( N − 1 ) ⋅ ∂ 1 2 X ⃗ ( N ) T F X ⃗ ( N ) ∂ X ⃗ ( N ) + ∂ 1 2 U ⃗ ( N − 1 ) T R U ⃗ ( N − 1 ) ) ∂ U ⃗ ( N − 1 ) \frac{\partial J_{k=N-1}}{\partial \vec{U}(N-1)} \ =\frac{\partial \vec{X}(N)}{\partial \vec{U}(N-1)} \cdot \frac{\partial \frac{1}{2} \vec{X}(N)^{T}F\vec{X}(N)}{\partial \vec{X}(N)}\ +\frac{\partial \frac{1}{2} \vec{U}(N-1)^{T}R\vec{U}(N-1)) }{\partial \vec{U}(N-1)} ∂U(N−1)∂Jk=N−1 =∂U(N−1)∂X(N)⋅∂X(N)∂21X(N)TFX(N) +∂U(N−1)∂21U(N−1)TRU(N−1))
经过矩阵求导得到
∂ J k = N − 1 ∂ U ⃗ ( N − 1 ) = B T ⋅ F ⋅ ( A X ⃗ ( N − 1 ) + B U ⃗ ( N − 1 ) ) + R U ⃗ ( N − 1 ) \frac{\partial J_{k=N-1}}{\partial \vec{U}(N-1)} =\ B^{T}\cdot F \cdot (A\vec{X}(N-1)+B\vec{U}(N-1))+R\vec{U}(N-1) ∂U(N−1)∂Jk=N−1= BT⋅F⋅(AX(N−1)+BU(N−1))+RU(N−1)
令其求导为0,求极值
B T ⋅ F ⋅ ( A X ⃗ ( N − 1 ) + B U ⃗ ( N − 1 ) ) + R U ⃗ ( N − 1 ) = 0 B^{T}\cdot F \cdot (A\vec{X}(N-1)+B\vec{U}(N-1))+R\vec{U}(N-1)=0 BT⋅F⋅(AX(N−1)+BU(N−1))+RU(N−1)=0
可以得到
− B T F A ⋅ X ⃗ ( N − 1 ) = ( B T F B + R ) ⋅ U ⃗ ( N − 1 ) -B^{T}FA \cdot \vec{X}(N-1)=(B^{T}FB+R) \cdot \vec{U}(N-1) −BTFA⋅X(N−1)=(BTFB+R)⋅U(N−1)
解得
U ⃗ ( N − 1 ) = − ( B T F B + R ) − 1 B T F A ⋅ X ⃗ ( N − 1 ) = − K ( N − 1 ) ⋅ X ⃗ ( N − 1 ) \vec{U}(N-1) = -(B^{T}FB+R) ^{-1} B^{T}FA \cdot \vec{X}(N-1) \ =-K(N-1) \cdot \vec{X}(N-1) U(N−1)=−(BTFB+R)−1BTFA⋅X(N−1) =−K(N−1)⋅X(N−1)
- 这里令 K = ( B T F B + R ) − 1 B T F A K = (B^{T}FB+R) ^{-1} B^{T}FA K=(BTFB+R)−1BTFA,可以得到全状态反馈的控制律,即 U ⃗ = − K X ⃗ \vec{U} = -K \vec{X} U=−KX
- 矩阵运算之前在卡尔曼滤波器里讲过,有兴趣可以翻看,不重复赘述。卡尔曼滤波器
为了验证其是否为极小值点,二次求导。
∂
2
J
k
=
N
−
1
∂
U
⃗
2
(
N
−
1
)
=
B
T
F
B
+
R
\frac{\partial^{2} J_{k=N-1}}{\partial \vec{U}^{2}(N-1)} =\ B^{T} FB +R
∂U2(N−1)∂2Jk=N−1= BTFB+R
显然,由于矩阵
R
R
R正定,
B
T
F
B
B^{T}FB
BTFB为半正定矩阵,因此
∂
2
J
k
=
N
−
1
∂
U
⃗
2
(
N
−
1
)
>
0
\frac{\partial^{2} J_{k=N-1}}{\partial \vec{U}^{2}(N-1)} >0
∂U2(N−1)∂2Jk=N−1>0
因此该极值点为极小值点。
将极值点
U
⃗
(
N
−
1
)
=
−
(
B
T
F
B
+
R
)
−
1
B
T
F
A
⋅
X
⃗
(
N
−
1
)
\vec{U}(N-1)=-(B^{T}FB+R) ^{-1} B^{T}FA \cdot \vec{X}(N-1)
U(N−1)=−(BTFB+R)−1BTFA⋅X(N−1)代入,得到
N
−
1
N-1
N−1时刻的最优代价函数
J
∗
(
N
−
1
)
=
X
⃗
T
(
N
−
1
)
(
[
A
−
B
K
(
N
−
1
)
]
T
⋅
F
⋅
[
A
−
B
K
(
N
−
1
)
]
+
K
(
N
−
1
)
T
R
K
(
N
−
1
)
+
Q
)
X
⃗
(
N
−
1
)
J^{*}(N-1) = \vec{X}^{T}(N-1) \ ( [A-BK(N-1)]^{T} \cdot F \cdot [A-BK(N-1)] + K(N-1)^{T} R K(N-1) + Q) \ \vec{X}(N-1)
J∗(N−1)=XT(N−1) ([A−BK(N−1)]T⋅F⋅[A−BK(N−1)]+K(N−1)TRK(N−1)+Q) X(N−1)
可以看出 无论是
J
∗
(
N
)
J^{*}(N)
J∗(N) 还是
J
∗
(
N
−
1
)
J^{*}(N-1)
J∗(N−1) 都是以
X
⃗
T
P
X
⃗
\vec{X}^{T}P\vec{X}
XTPX的形式成立。
因此总结其规律,令
P
(
0
)
=
F
P
(
1
)
=
(
[
A
−
B
K
(
N
−
1
)
]
T
⋅
P
(
0
)
⋅
[
A
−
B
K
(
N
−
1
)
]
+
K
(
N
−
1
)
T
R
K
(
N
−
1
)
+
Q
)
P(0) = F\\ P(1) = ( [A-BK(N-1)]^{T} \cdot P(0) \cdot [A-BK(N-1)] + K(N-1)^{T} R K(N-1) + Q)
P(0)=FP(1)=([A−BK(N−1)]T⋅P(0)⋅[A−BK(N−1)]+K(N−1)TRK(N−1)+Q)
则可以得到增益矩阵(
N
−
1
N-1
N−1时刻)
K
(
N
−
1
)
=
(
B
T
P
(
0
)
B
+
R
)
−
1
B
T
P
(
0
)
A
K(N-1) = (B^{T}P(0)B+R) ^{-1} B^{T}P(0)A
K(N−1)=(BTP(0)B+R)−1BTP(0)A
- 总结一下
当 k = N k=N k=N时刻
J ∗ ( N ) = X ⃗ T ( N ) P ( 0 ) X ⃗ ( N ) J^{*}(N) = \vec{X}^{T}(N) P(0) \vec{X}(N) J∗(N)=XT(N)P(0)X(N)
当 k = N − 1 k=N-1 k=N−1时刻
K ( N − 1 ) = ( B T P ( 0 ) B + R ) − 1 B T P ( 0 ) A P ( 1 ) = ( [ A − B K ( N − 1 ) ] T ⋅ P ( 0 ) ⋅ [ A − B K ( N − 1 ) ] + K ( N − 1 ) T R K ( N − 1 ) + Q ) J ∗ ( N − 1 ) = X ⃗ T ( N − 1 ) P ( 1 ) X ⃗ ( N − 1 ) K(N-1) = (B^{T}P(0)B+R) ^{-1} B^{T}P(0)A\\ P(1) = ( [A-BK(N-1)]^{T} \cdot P(0) \cdot [A-BK(N-1)] + K(N-1)^{T} R K(N-1) + Q) \\ J^{*}(N-1) = \vec{X}^{T}(N-1) P(1) \vec{X}(N-1) K(N−1)=(BTP(0)B+R)−1BTP(0)AP(1)=([A−BK(N−1)]T⋅P(0)⋅[A−BK(N−1)]+K(N−1)TRK(N−1)+Q)J∗(N−1)=XT(N−1)P(1)X(N−1)
根据其递归特性,可以得到通用一般形式(当 k ≥ 1 k\ge1 k≥1)
K ( N − k ) = ( B T P ( k − 1 ) B + R ) − 1 B T P ( k − 1 ) A P ( k ) = ( [ A − B K ( N − k ) ] T ⋅ P ( k − 1 ) ⋅ [ A − B K ( N − k ) ] + K ( N − k ) T R K ( N − k ) + Q ) J ∗ ( N − k ) = X ⃗ T ( N − k ) P ( k ) X ⃗ ( N − k ) K(N-k) = (B^{T}P(k-1)B+R) ^{-1} B^{T}P(k-1)A\\ P(k) = ( [A-BK(N-k)]^{T} \cdot P(k-1) \cdot [A-BK(N-k)] + K(N-k)^{T} R K(N-k) + Q) \\ J^{*}(N-k) = \vec{X}^{T}(N-k) P(k) \vec{X}(N-k) K(N−k)=(BTP(k−1)B+R)−1BTP(k−1)AP(k)=([A−BK(N−k)]T⋅P(k−1)⋅[A−BK(N−k)]+K(N−k)TRK(N−k)+Q)J∗(N−k)=XT(N−k)P(k)X(N−k)
动手实践
系统模型
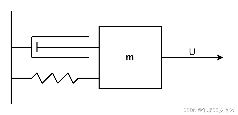
以弹簧阻尼系统为例,设质量块质量为m,以静力平衡点为位移0点,其受力情况为:

这里列出受力情况,主要是向一些新入门的同学展示一些状态空间方程是如何来的,已知可跳过。
m
a
=
−
k
x
−
c
v
ma = -kx-cv
ma=−kx−cv
其中,
a
a
a为质量块的加速度,
v
v
v为质量块的速度,
x
x
x为质量块的位移,
k
k
k为弹簧系数,
c
c
c为阻尼系数。
接下来,建立状态空间方程,设状态向量为
X
⃗
\vec{X}
X为
X
⃗
=
[
x
1
x
2
]
=
[
x
v
]
\vec{X} =\begin{bmatrix} x_1\\x_2\end{bmatrix} = \begin{bmatrix} x\\v\end{bmatrix}
X=[x1x2]=[xv]
则状态转移方程为
X
′
⃗
=
A
X
⃗
→
[
x
1
′
x
2
′
]
=
[
x
′
v
′
]
=
[
v
a
]
=
[
v
−
k
m
x
−
c
m
v
]
=
[
x
2
−
k
m
x
1
−
c
m
x
2
]
=
[
0
1
−
k
m
−
c
m
]
[
x
1
x
2
]
\vec{X'}=A\vec{X}\\ \rightarrow \begin{bmatrix} x_{1}'\\x_{2}'\end{bmatrix}=\begin{bmatrix} x'\\v'\end{bmatrix}=\begin{bmatrix} v\\a\end{bmatrix} =\begin{bmatrix} v\\-\frac{k}{m}x-\frac{c}{m}v\end{bmatrix}=\begin{bmatrix} x_2\\-\frac{k}{m}x_{1}-\frac{c}{m}x_{2}\end{bmatrix}=\begin{bmatrix} 0 & 1\\-\frac{k}{m}&-\frac{c}{m}\end{bmatrix}\begin{bmatrix} x_1\\x_2\end{bmatrix}
X′=AX→[x1′x2′]=[x′v′]=[va]=[v−mkx−mcv]=[x2−mkx1−mcx2]=[0−mk1−mc][x1x2]
为了在matlab中将其运动过程仿真出来,将其转换成离散方程,设采样时间为
T
T
T,则可以得到
[
x
1
(
k
+
1
)
x
2
(
k
+
1
)
]
=
[
1
T
−
k
T
m
1
−
c
T
m
]
[
x
1
(
k
)
x
2
(
k
)
]
\begin{bmatrix} x_{1}(k+1)\\x_{2}(k+1)\end{bmatrix}=\begin{bmatrix} 1&T\\-\frac{kT}{m}&1-\frac{cT}{m}\end{bmatrix}\begin{bmatrix} x_{1}(k)\\x_{2}(k)\end{bmatrix}
[x1(k+1)x2(k+1)]=[1−mkTT1−mcT][x1(k)x2(k)]
仿真代码
T = 0.001;
%离散周期位1ms
m = 1;
%重量块质量为1kg
c = 0.2;
k = 0.5;
%阻尼系数和弹簧系数
A = [1 T;-k*T/m 1-c*T/m];
B = [0;1/m];
%系统状态空间方程
x0 = [4;0];
%系统初始状态向量
n = 100000;
%仿真的步数
x = zeros(n,1);
v = zeros(n,1);
time = zeros(n,1);
%记录状态数据,用来绘图的
xk_1 = [0;0];
xk = x0;
%x(k)以及x(k+1)
for i = 1:n
xk_1 = A*xk;
x(i) = xk(1);
v(i) = xk(2);
time(i) = i*T;
xk = xk_1;
end
plot(time, x,'r-',time,v,'b-') % 绘制曲线
xlabel('x') % 添加x轴标签
ylabel('y') % 添加y轴标签
title('lqr') % 添加标题
legend('x','v');
grid on % 添加网格线
运行结果

可以看出,这是一个无论初始状态如何,最终都能够振荡收敛的系统。此时在这个系统里加入一个力 F ⃗ \vec{F} F,作为系统输入 u u u,根据 L Q R LQR LQR计算输入序列,来使得系统状态更快速收敛为0。
带输入的系统模型

带输入的系统模型的状态空间方程为
[
x
1
(
k
+
1
)
x
2
(
k
+
1
)
]
=
[
1
T
−
k
T
m
1
−
c
T
m
]
[
x
1
(
k
)
x
2
(
k
)
]
+
[
0
T
m
]
u
\begin{bmatrix} x_{1}(k+1)\\x_{2}(k+1)\end{bmatrix}=\begin{bmatrix} 1&T\\-\frac{kT}{m}&1-\frac{cT}{m}\end{bmatrix}\begin{bmatrix} x_{1}(k)\\x_{2}(k)\end{bmatrix}+\begin{bmatrix} 0\\\frac{T}{m}\end{bmatrix}u
[x1(k+1)x2(k+1)]=[1−mkTT1−mcT][x1(k)x2(k)]+[0mT]u
LQR控制器设计
- 定义代价函数
J
J
J
J = 1 2 X ⃗ ( N ) T P ( 0 ) X ⃗ ( N ) + 1 2 ∑ k = 0 N − 1 ( X ⃗ ( k ) T Q X ⃗ ( k ) + U ⃗ ( k ) T R U ⃗ ( k ) ) J=\frac{1}{2} \vec{X}(N)^{T}P(0)\vec{X}(N)+\frac{1}{2}\sum_{k=0}^{N-1}{ (\vec{X}(k)^{T}Q\vec{X}(k) + \vec{U}(k)^{T}R\vec{U}(k)) } J=21X(N)TP(0)X(N)+21k=0∑N−1(X(k)TQX(k)+U(k)TRU(k))
其中,矩阵 P ( 0 ) , Q , R P(0),Q, R P(0),Q,R分别是根据控制需求定义的末端代价权重矩阵,过程状态代价矩阵,过程输入代价矩阵。 - 计算全状态矩阵
K
K
K
根据上面的结论可以得到,递推求解公式为
K ( N − k ) = ( B T P ( k − 1 ) B + R ) − 1 B T P ( k − 1 ) A P ( k ) = ( [ A − B K ( N − k ) ] T ⋅ P ( k − 1 ) ⋅ [ A − B K ( N − k ) ] + K ( N − k ) T R K ( N − k ) + Q ) K(N-k) = (B^{T}P(k-1)B+R) ^{-1} B^{T}P(k-1)A\\ P(k) = ( [A-BK(N-k)]^{T} \cdot P(k-1) \cdot [A-BK(N-k)] + K(N-k)^{T} R K(N-k) + Q) K(N−k)=(BTP(k−1)B+R)−1BTP(k−1)AP(k)=([A−BK(N−k)]T⋅P(k−1)⋅[A−BK(N−k)]+K(N−k)TRK(N−k)+Q)
其中,
A = [ 1 T − k T m 1 − c T m ] , B = [ 0 T m ] A=\begin{bmatrix} 1&T\\-\frac{kT}{m}&1-\frac{cT}{m}\end{bmatrix},B=\begin{bmatrix} 0\\\frac{T}{m}\end{bmatrix} A=[1−mkTT1−mcT],B=[0mT]
控制器仿真
clear all;
lqr_flag = 1;
T = 0.001;
%离散周期位1ms
m = 1;
%重量块质量为1kg
c = 0.2;
k = 0.5;
%阻尼系数和弹簧系数
A = [1 T;-k*T/m 1-c*T/m];
B = [0;T/m];
%系统状态空间方程
x0 = [4;0];
%系统初始状态向量
n = 100000;
x = zeros(n,1);
v = zeros(n,1);
time = zeros(n,1);
u = zeros(n,1);
%记录状态数据,用来绘图的
xk_1 = [0;0];
xk = x0;
%状态向量xk和xk+1
P=zeros(n,4);
%P迭代矩阵,用于计算K
P0 = [1 0;0 1];
%末端状态代价矩阵2x2
Q = [1 0;0 1];
%过程状态代价矩阵2x2
R = 1;
%过程输入代价矩阵1x1
K = zeros(n,2);
%全状态反馈矩阵 1x2
P(1,:) = P0(:)';
%初始化
for i = 2:n
tmpP = reshape(P(i-1,:),2,2);
tmpK = reshape(K(n-i+1,:),1,2);
K(n-i+1,:) = reshape( (B'*tmpP*B+R)\B'*tmpP*A,1,2);
P(i,:)= reshape( (A-B * tmpK)'* tmpP *(A-B * tmpK) + tmpK'*R*tmpK+Q ,1,4);
end
%从最后一个往前算P(k)
if lqr_flag == 0 %无输入系统
for i = 1:n
xk_1 = A*xk;
x(i) = xk(1);
v(i) = xk(2);
time(i) = i*T;
xk = xk_1;
end
else % lqr控制输入下的系统
for i = 1:n
uk = - reshape(K(i,:),1,2)*xk;
xk_1 = A*xk + B*uk;
x(i) = xk_1(1);
v(i) = xk_1(2);
time(i) = i*T;
u(i) = uk;
xk = xk_1;
end
end
plot(time, x,'r-',time,v,'g-',time,u,'b-') % 绘制曲线
xlabel('x') % 添加x轴标签
ylabel('y') % 添加y轴标签
title('lqr') % 添加标题
legend('x','v','u');
grid on % 添加网格线
运行结果

结论
L Q R LQR LQR控制器是一种通过代价函数最优求解控制序列的算法,以全状态反馈的控制律形式实现控制。并且其反馈矩阵的计算只与状态方程矩阵,代价函数的三个矩阵有关系。
- 参数调试的几种基本原则
若想快速收敛就将矩阵 Q Q Q中对应的状态权重调大;
若想减小系统冲激则提高矩阵 R R R的值;
建议多动手尝试,调试不同位置参数来观察控制效果。
优势
- 计算简单,并且可离线计算,即已经事先规划好了,无论你的初始状态如何。
- 可以根据控制需求调节参数,以达到不同的控制效果,使用较为灵活。
劣势
- 只适用于线性系统。
- 不引入当前过去状态来修正控制律增益,抗扰动能力较差。
即当前系统受扰动出现较大的状态偏移后无法做出及时应对和修正
后续
当你看到这里,不知道你有没有想过,使用 L Q R LQR LQR就只能让你的系统状态量归0吗,如果我不希望他不归0,保持为其他的某个常数,亦或者是以某种轨迹进行变化,又应该如何使用 L Q R LQR LQR来实现呢。这类问题就是轨迹跟踪的问题。这个内容就是我下一篇博客要讨论的东西,敬请期待。
937

被折叠的 条评论
为什么被折叠?



