前言:
首先stm32由于引脚耐压特性等缘故,标准IO引脚的输入电压的输入范围为-0.3v-4.3v(VDD的最大电压为4v)、而其实耐压引脚的电压最高值也仅仅是5.5v,而一般stm32使用VDD引脚向内部供电、供电电压也一般小于或等于3.6v,目前大多数的系统板都是3.3v(这个数字是有说法的,感兴趣可以去查),即使使用5v引脚供电,在引脚真实进行负载时,实际电压可能下降至2、3v,这个驱动能力对于直流电机而言是远远不够的,目前一般的电机(做小实验等级)的电压大多是5v、12v、24、36v等,也因此想要让电机被成功驱动,需要额外使用一个驱动模块(内部机制是使用三极管的电压放大特性或是mos管的驱动特性去驱动电机、有兴趣可以去查看三极管和mos管的驱动原理)、现在常用的驱动模块有L298N和本实验使用的TB6612,而之所以使用TB6612,是因为该驱动芯片的低功耗和低发热特性、当然还有省米。



一、TB6612芯片简单介绍


1.1TB6612的输出特性
• 电源电压 VM = 15 V(最大值)
• 输出电流 IOUT = 1.2 A(平均值)/3.2 A (峰值)
本实验使用的电机是12v的,所以这款芯片的驱动能力是完全够用的
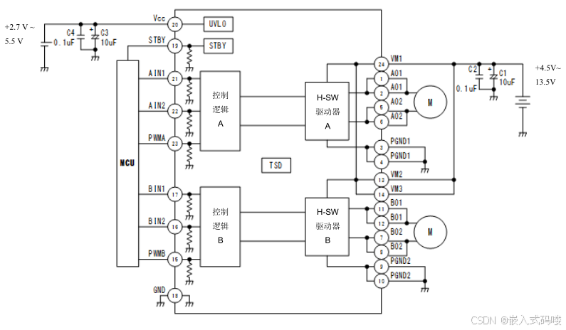
1.2TB6612的引脚说明

• VMx(x=1、2、3) = 15 V(最大值) 其实在系统板设计的时候是只有一个COM引脚的
系统板的供电由COM端进行输入
• AINx(x=1、2)为MCU向系统板输入的控制引脚,当AIN1和AIN2输入不同的高低电压时
代表着不同的控制逻辑
• PWM是MCU向板子输入PWM波引脚,通过输入不同的占空比PWM波,从而输入不同的电压
信号
• STBY是一个待机引脚,使用板子时需要对该引脚输入高电压、唤醒板子、从而正常使用
• AOx(x=1、2)是最终输入给电机的输出引脚
那么通过对引脚的了解我们可以大致猜测TB6612、单片机以及电机的接线方式为如下:


那么确实如此,和官方给的也是基本一致的
1.3H-SW控制逻辑说明

这里需要说明一下:既然MOTOR的两端都接入了VM和GND,这两个引脚的电压是不进行控制的,那么如何控制电机,从而给其输入不同值的电压呢,其实这就是PWM和芯片内部的控制逻辑核心了。
假设现如今该H桥上左上的P-MOS管和右下的N-MOS管已经导通,电流从VM经P-MOS流向电机,再从电机经过N-MOS流向GND,而MOS管现由从MCU致系统板的AINx引脚的输入电压进行控制,那么只需要将AINx按照PWM波的频率进行输出给H桥,那么也就实现了将VM的电压按照PWM的频率输入给电机,而电机的转速由施加在其两端的平均电压所决定,所以也就实现了由单片机的PWM信号控制电机转速的目的,同时,通过给不同的MOS管进行控制也可实现电机的换向功能。
需要注意的是对于上图这种H桥对于同一侧的MOS管不能同时导通,否则将会有短路的风险,所以为了采取一定的保护措施,一般需要进行如下设计。

(可以尝试对IN1和IN2引脚输入不同的电压组合,经过逻辑门后,观察电机输入的电流的流向)
二、STM32PWM波输出的编程思路
首先需要配置所需要使用的引脚的时钟、其次需要配置该些引脚的输出模式、然后需要使用单片机的通用定时器进行时钟配置、模式配置等初始化操作、编写外部控制函数使之输出不同的PWM波。
这些使用HAl库来操作是很方便的(初学时可以使用寄存器方式或者标准库方式编写代码、加深理解,等稍微熟悉些后建议可以使用HAL库进行编写,减少开发周期)。
2.1通用定时器基础知识

做这次实验正好顺带着复习一下定时器的基本用法,而其实不管是高级定时器还是通用定时器都其实是在基本定时器的基础上加持了一些外设和功能,所以从基本定时器开始。
基本定时器的一个应用的一个思路其实无非就一件事,计数到一定值后开始执行一个动作。而其过程中会涉及到四个点:
计数器的时钟来源配置-----单片机计数得有一个时间基准;
计数器计数频率配置-----通过更改预分频器的数值从而改变定时器数一个数字所需要的时间(其实这步也同样会受到上一步的制约);
计数器的自动重装载寄存器配置-----计时器具体要数到哪个数值才开始执行一个动作。
其中需要知道的一些知识点:
1.实际的设置计数器使能信号CNT_EN相对于CEN滞后一个时钟周期

2.这个控制寄存器带有缓冲器,它能够在工作时被改变。新的预分频器参数在下一次更新事件到来时被采用。
3.自动重装载寄存器是预加载的,每次读写自动重装载寄存器时,实际上是通过读写预加载寄存
器实现。根据TIMx_CR1寄存器中的自动重装载预加载使能位(ARPE),写入预加载寄存器的内
容能够立即或在每次更新事件时,传送到它的影子寄存器。

其实差别就是ARPE=1时,会等到上次计数至更新事件后,这一次重装载寄存器的数值才能起作用。根据上述官方手册的内容可推,ARPE=0时,往ARR写入数值时(其实是往预加载寄存器写值),该值会立马被传送至ARR的影子寄存器,而ARPE=1时,该值(如0x36)会等到下一次更新事件时才会被传入影子寄存器,而当前计数会一直计数到上一次ARR的值才会更新事件,而当事件更新后下一次计数将会至(0x36)才开始更新事件。
这里其实让ARPE=1才是更好的选择,因为如果当前计数值为0x36,而下一次写入的值是0x30,那么寄存器将会一直累加到65535,后又更新为0再计数至0x30,寄存器有溢出风险。
而在计数模式下,每次更新事件时会有以下动作
● 传送预装载值(TIMx_PSC寄存器的内容)至预分频器的缓冲区。
● 自动重装载影子寄存器被更新为预装载值(TIMx_ARR)
那么通用定时器以上部分和基本定时器的内容是基本一致的,需要注意的是它额外增加了以下部分

其中最核心的是捕获/比较寄存器(capture compare register简称CCR),本实验仅需用到通用寄存器输出PWM波。
有点意思的是,通用计时器在计数方式上加入了向下计数和中央对齐计数模式(感兴趣可以去查手册)。
除此外,还有一个小细节需要注意:
1.在捕获模式下,捕获发生在影子寄存器上,然后再复制到预装载寄存器中。
2.在比较模式下,预装载寄存器的内容被复制到影子寄存器中,然后影子寄存器的内容和计数器
进行比较。
也就是说在通用计时器中,ARR的影子寄存器还有额外的作用。
值得认真研究的是关于输出比较模式下的输出引脚的电平配置。这里建议把中文手册和英文手册结合起来查看,否则很难看懂,这里就直接贴出它的英文原文,并大体翻译。

当在CCR和CNT出现等值(也即匹配或相等)时,那输出比较的功能如下:
给输出引脚分配一个早已经配置好的值,该值由OCxM位(CCMR寄存器中)和CCxP位(CCER寄存器中)共同决定。而在比较过程中也即CNT<CCR时,输出引脚电平是怎样的呢,需要借助下图理解。

假设OC1M为001,CC1P为1,那么此时ref一直为高电平,而经过CC1P选择后,OC1输出为高电平,若CC1P为0,那么经过选择后,OC1输出为低电平。
2.2PWM1模式
而PWM1模式稍微多了一部分内容,也就是如果采用向上计数模式,当CNT<CCR时,ref为高电平,若此时极性选择为高电平有效(也即此时CCxP=0,ref电平不反转),那么OC1输出高电平,当ARR>CNT>CCR时,ref为低电平,OC1也为低电平。
通过设置PSC预分频器的值,ARR的值以及CCR的值,可以设置DUTY(占空比)的值:
例如,PSC=72,ARR=100;CCR=30;而实际上PSC只影响计数频率,不影响占空比。
代码相关如下:
/* TIM2 init function */
void MX_TIM2_Init(void)
{
/* USER CODE BEGIN TIM2_Init 0 */
/* USER CODE END TIM2_Init 0 */
TIM_ClockConfigTypeDef sClockSourceConfig = {0};
TIM_MasterConfigTypeDef sMasterConfig = {0};
TIM_OC_InitTypeDef sConfigOC = {0};
/* USER CODE BEGIN TIM2_Init 1 */
/* USER CODE END TIM2_Init 1 */
htim2.Instance = TIM2;
htim2.Init.Prescaler = 71;
htim2.Init.CounterMode = TIM_COUNTERMODE_UP;
htim2.Init.Period = 100-1;
htim2.Init.ClockDivision = TIM_CLOCKDIVISION_DIV1;
htim2.Init.AutoReloadPreload = TIM_AUTORELOAD_PRELOAD_ENABLE;
if (HAL_TIM_Base_Init(&htim2) != HAL_OK)
{
Error_Handler();
}
sClockSourceConfig.ClockSource = TIM_CLOCKSOURCE_INTERNAL;
if (HAL_TIM_ConfigClockSource(&htim2, &sClockSourceConfig) != HAL_OK)
{
Error_Handler();
}
if (HAL_TIM_PWM_Init(&htim2) != HAL_OK)
{
Error_Handler();
}
sMasterConfig.MasterOutputTrigger = TIM_TRGO_RESET;
sMasterConfig.MasterSlaveMode = TIM_MASTERSLAVEMODE_DISABLE;
if (HAL_TIMEx_MasterConfigSynchronization(&htim2, &sMasterConfig) != HAL_OK)
{
Error_Handler();
}
sConfigOC.OCMode = TIM_OCMODE_PWM1;
sConfigOC.Pulse = 00;
sConfigOC.OCPolarity = TIM_OCPOLARITY_HIGH;
sConfigOC.OCFastMode = TIM_OCFAST_DISABLE;
if (HAL_TIM_PWM_ConfigChannel(&htim2, &sConfigOC, TIM_CHANNEL_2) != HAL_OK)
{
Error_Handler();
}
/* USER CODE BEGIN TIM2_Init 2 */
/* USER CODE END TIM2_Init 2 */
HAL_TIM_MspPostInit(&htim2);
}
三、相关代码
目前先做出简单的测试代码,后期将会分层级优化驱动层和软件层的代码,增强维护性和可读性。
3.1TIM.C
/* USER CODE BEGIN Header */
/**
******************************************************************************
* @file tim.c
* @brief This file provides code for the configuration
* of the TIM instances.
******************************************************************************
* @attention
*
* Copyright (c) 2024 STMicroelectronics.
* All rights reserved.
*
* This software is licensed under terms that can be found in the LICENSE file
* in the root directory of this software component.
* If no LICENSE file comes with this software, it is provided AS-IS.
*
******************************************************************************
*/
/* USER CODE END Header */
/* Includes ------------------------------------------------------------------*/
#include "tim.h"
/* USER CODE BEGIN 0 */
/* USER CODE END 0 */
TIM_HandleTypeDef htim2;
/* TIM2 init function */
void MX_TIM2_Init(void)
{
/* USER CODE BEGIN TIM2_Init 0 */
/* USER CODE END TIM2_Init 0 */
TIM_ClockConfigTypeDef sClockSourceConfig = {0};
TIM_MasterConfigTypeDef sMasterConfig = {0};
TIM_OC_InitTypeDef sConfigOC = {0};
/* USER CODE BEGIN TIM2_Init 1 */
/* USER CODE END TIM2_Init 1 */
htim2.Instance = TIM2;
htim2.Init.Prescaler = 71;
htim2.Init.CounterMode = TIM_COUNTERMODE_UP;
htim2.Init.Period = 100-1;
htim2.Init.ClockDivision = TIM_CLOCKDIVISION_DIV1;
htim2.Init.AutoReloadPreload = TIM_AUTORELOAD_PRELOAD_ENABLE;
if (HAL_TIM_Base_Init(&htim2) != HAL_OK)
{
Error_Handler();
}
sClockSourceConfig.ClockSource = TIM_CLOCKSOURCE_INTERNAL;
if (HAL_TIM_ConfigClockSource(&htim2, &sClockSourceConfig) != HAL_OK)
{
Error_Handler();
}
if (HAL_TIM_PWM_Init(&htim2) != HAL_OK)
{
Error_Handler();
}
sMasterConfig.MasterOutputTrigger = TIM_TRGO_RESET;
sMasterConfig.MasterSlaveMode = TIM_MASTERSLAVEMODE_DISABLE;
if (HAL_TIMEx_MasterConfigSynchronization(&htim2, &sMasterConfig) != HAL_OK)
{
Error_Handler();
}
sConfigOC.OCMode = TIM_OCMODE_PWM1;
sConfigOC.Pulse = 00;
sConfigOC.OCPolarity = TIM_OCPOLARITY_HIGH;
sConfigOC.OCFastMode = TIM_OCFAST_DISABLE;
if (HAL_TIM_PWM_ConfigChannel(&htim2, &sConfigOC, TIM_CHANNEL_2) != HAL_OK)
{
Error_Handler();
}
/* USER CODE BEGIN TIM2_Init 2 */
/* USER CODE END TIM2_Init 2 */
HAL_TIM_MspPostInit(&htim2);
}
void HAL_TIM_Base_MspInit(TIM_HandleTypeDef* tim_baseHandle)
{
if(tim_baseHandle->Instance==TIM2)
{
/* USER CODE BEGIN TIM2_MspInit 0 */
/* USER CODE END TIM2_MspInit 0 */
/* TIM2 clock enable */
__HAL_RCC_TIM2_CLK_ENABLE();
/* USER CODE BEGIN TIM2_MspInit 1 */
/* USER CODE END TIM2_MspInit 1 */
}
}
void HAL_TIM_MspPostInit(TIM_HandleTypeDef* timHandle)
{
GPIO_InitTypeDef GPIO_InitStruct = {0};
if(timHandle->Instance==TIM2)
{
/* USER CODE BEGIN TIM2_MspPostInit 0 */
/* USER CODE END TIM2_MspPostInit 0 */
__HAL_RCC_GPIOA_CLK_ENABLE();
/**TIM2 GPIO Configuration
PA1 ------> TIM2_CH2
*/
GPIO_InitStruct.Pin = TB6612_PWM_Pin;
GPIO_InitStruct.Mode = GPIO_MODE_AF_PP;
GPIO_InitStruct.Speed = GPIO_SPEED_FREQ_HIGH;
HAL_GPIO_Init(TB6612_PWM_GPIO_Port, &GPIO_InitStruct);
/* USER CODE BEGIN TIM2_MspPostInit 1 */
/* USER CODE END TIM2_MspPostInit 1 */
}
}
void HAL_TIM_Base_MspDeInit(TIM_HandleTypeDef* tim_baseHandle)
{
if(tim_baseHandle->Instance==TIM2)
{
/* USER CODE BEGIN TIM2_MspDeInit 0 */
/* USER CODE END TIM2_MspDeInit 0 */
/* Peripheral clock disable */
__HAL_RCC_TIM2_CLK_DISABLE();
/* USER CODE BEGIN TIM2_MspDeInit 1 */
/* USER CODE END TIM2_MspDeInit 1 */
}
}
/* USER CODE BEGIN 1 */
/*电机初始化函数*/
void TB6612_MOTOR_INIT(void)
{
/*TB6612使能*/
HAL_GPIO_WritePin(GPIOA, TB6612_STBY_Pin, GPIO_PIN_SET);
/*定时器使能*/
HAL_TIM_PWM_Start(&htim2,TIM_CHANNEL_2);
}
/*电机向前函数*/
void TB6612_MOTOR_DIRECTION_FORWARD(void)
{
/*AIN0和1分别置1和0*/
HAL_GPIO_WritePin(GPIOA, TB6612_ANI1_Pin, GPIO_PIN_RESET);
HAL_GPIO_WritePin(GPIOA, TB6612_AIN0_Pin, GPIO_PIN_SET);
}
/*电机向前函数*/
void TB6612_MOTOR_DIRECTION_BACKWARD(void)
{
/*AIN0和1分别置0和1*/
HAL_GPIO_WritePin(GPIOA, TB6612_ANI1_Pin, GPIO_PIN_SET);
HAL_GPIO_WritePin(GPIOA, TB6612_AIN0_Pin, GPIO_PIN_RESET);
}
/*电机刹车函数*/
void TB6612_MOTOR_BRAKE(void)
{
/*AIN0和1都置0,在TB6612的控制逻辑下电机将会停止*/
HAL_GPIO_WritePin(GPIOA, TB6612_ANI1_Pin, GPIO_PIN_RESET);
HAL_GPIO_WritePin(GPIOA, TB6612_AIN0_Pin, GPIO_PIN_RESET);
}
/*电机速度设置函数*/
void TB6612_MOTOR_SET_SPEED(int speed)
{
/*直接将speed的值写入CCR寄存器中*/
__HAL_TIM_SetCompare(&htim2, TIM_CHANNEL_2, speed);
}
/* USER CODE END 1 */
3.2MAIN.C
/* USER CODE BEGIN Header */
/**
******************************************************************************
* @file : main.c
* @brief : Main program body
******************************************************************************
* @attention
*
* Copyright (c) 2024 STMicroelectronics.
* All rights reserved.
*
* This software is licensed under terms that can be found in the LICENSE file
* in the root directory of this software component.
* If no LICENSE file comes with this software, it is provided AS-IS.
*
******************************************************************************
*/
/* USER CODE END Header */
/* Includes ------------------------------------------------------------------*/
#include "main.h"
#include "tim.h"
#include "gpio.h"
/* Private includes ----------------------------------------------------------*/
/* USER CODE BEGIN Includes */
/* USER CODE END Includes */
/* Private typedef -----------------------------------------------------------*/
/* USER CODE BEGIN PTD */
/* USER CODE END PTD */
/* Private define ------------------------------------------------------------*/
/* USER CODE BEGIN PD */
/* USER CODE END PD */
/* Private macro -------------------------------------------------------------*/
/* USER CODE BEGIN PM */
/* USER CODE END PM */
/* Private variables ---------------------------------------------------------*/
/* USER CODE BEGIN PV */
/* USER CODE END PV */
/* Private function prototypes -----------------------------------------------*/
void SystemClock_Config(void);
/* USER CODE BEGIN PFP */
/* USER CODE END PFP */
/* Private user code ---------------------------------------------------------*/
/* USER CODE BEGIN 0 */
/* USER CODE END 0 */
/**
* @brief The application entry point.
* @retval int
*/
int main(void)
{
/* USER CODE BEGIN 1 */
/* USER CODE END 1 */
/* MCU Configuration--------------------------------------------------------*/
/* Reset of all peripherals, Initializes the Flash interface and the Systick. */
HAL_Init();
/* USER CODE BEGIN Init */
/* USER CODE END Init */
/* Configure the system clock */
SystemClock_Config();
/* USER CODE BEGIN SysInit */
/* USER CODE END SysInit */
/* Initialize all configured peripherals */
MX_GPIO_Init();
MX_TIM2_Init();
TB6612_MOTOR_INIT();
/* USER CODE BEGIN 2 */
/* USER CODE END 2 */
/* Infinite loop */
/* USER CODE BEGIN WHILE */
while (1)
{
/* USER CODE END WHILE */
/*TB6612电机测试部分*/
TB6612_MOTOR_DIRECTION_FORWARD();
HAL_Delay(200);
TB6612_MOTOR_SET_SPEED(00);
/* USER CODE BEGIN 3 */
}
/* USER CODE END 3 */
}
/**
* @brief System Clock Configuration
* @retval None
*/
void SystemClock_Config(void)
{
RCC_OscInitTypeDef RCC_OscInitStruct = {0};
RCC_ClkInitTypeDef RCC_ClkInitStruct = {0};
/** Initializes the RCC Oscillators according to the specified parameters
* in the RCC_OscInitTypeDef structure.
*/
RCC_OscInitStruct.OscillatorType = RCC_OSCILLATORTYPE_HSE;
RCC_OscInitStruct.HSEState = RCC_HSE_ON;
RCC_OscInitStruct.HSEPredivValue = RCC_HSE_PREDIV_DIV1;
RCC_OscInitStruct.HSIState = RCC_HSI_ON;
RCC_OscInitStruct.PLL.PLLState = RCC_PLL_ON;
RCC_OscInitStruct.PLL.PLLSource = RCC_PLLSOURCE_HSE;
RCC_OscInitStruct.PLL.PLLMUL = RCC_PLL_MUL9;
if (HAL_RCC_OscConfig(&RCC_OscInitStruct) != HAL_OK)
{
Error_Handler();
}
/** Initializes the CPU, AHB and APB buses clocks
*/
RCC_ClkInitStruct.ClockType = RCC_CLOCKTYPE_HCLK|RCC_CLOCKTYPE_SYSCLK
|RCC_CLOCKTYPE_PCLK1|RCC_CLOCKTYPE_PCLK2;
RCC_ClkInitStruct.SYSCLKSource = RCC_SYSCLKSOURCE_PLLCLK;
RCC_ClkInitStruct.AHBCLKDivider = RCC_SYSCLK_DIV1;
RCC_ClkInitStruct.APB1CLKDivider = RCC_HCLK_DIV2;
RCC_ClkInitStruct.APB2CLKDivider = RCC_HCLK_DIV1;
if (HAL_RCC_ClockConfig(&RCC_ClkInitStruct, FLASH_LATENCY_2) != HAL_OK)
{
Error_Handler();
}
}
/* USER CODE BEGIN 4 */
/* USER CODE END 4 */
/**
* @brief This function is executed in case of error occurrence.
* @retval None
*/
void Error_Handler(void)
{
/* USER CODE BEGIN Error_Handler_Debug */
/* User can add his own implementation to report the HAL error return state */
__disable_irq();
while (1)
{
}
/* USER CODE END Error_Handler_Debug */
}
#ifdef USE_FULL_ASSERT
/**
* @brief Reports the name of the source file and the source line number
* where the assert_param error has occurred.
* @param file: pointer to the source file name
* @param line: assert_param error line source number
* @retval None
*/
void assert_failed(uint8_t *file, uint32_t line)
{
/* USER CODE BEGIN 6 */
/* User can add his own implementation to report the file name and line number,
ex: printf("Wrong parameters value: file %s on line %d\r\n", file, line) */
/* USER CODE END 6 */
}
#endif /* USE_FULL_ASSERT */
四、实验结果

其实是在旋转的,看末端能看出一些来,懒得放GIF了,测试时占空比为30%。
997

被折叠的 条评论
为什么被折叠?



