- 博客(35)
- 资源 (2)
- 收藏
- 关注
原创 控制算法之PID算法 | 从入门到理解到应用 (一发入魂)
目录:一、简介二、二位式控制算法三、位置式PID算法1. P算法2. I 算法3. D算法四、增量式PID算法五、几种增量式PID算法的变形一、简介将偏差的 比例(Proportion)、积分(Integral) 和 微分(Differential) 通过线性组合构成控制量,用这一控制量对被控对象进行控制,这样的控制器称PID控制器。二、二位式控制算法三、位置式PID算法1. P算法2...
2020-05-13 20:42:36
41326
101
原创 【学习笔记】I2C通讯详解 | 你真的从全面了解IIC了吗?
文章目录001I2C协议1.1相关介绍1.2硬件原理SCH1.3数据传输格式1.4信号传输时序图1.4.1读写流程1.5信号解析1.6如何在SDA上实现双线传输1.6.1开极电路开极电路驱动思想002 S3C2440的IIC控制器2.1主从关系2.2IIC控制器流程框图2.3IIC读写操作步骤003 程序框架004 编程流程001I2C协议1.1相关介绍I2C Bus——Inter-Int...
2020-02-12 22:53:58
4352
9
原创 【学习笔记】广和通4G模块-MC615学习笔记
简介MC615-CN-00是一款LTE Cat1 bis 无线通信模组。产品支持TDD-LTE/FDD-LTE 多种网络制式和多频段,同时支持VoLTE、Audio、 Camera、 LCD、 Keypad等功能。网络制式模组支持 FDD和TDD两种网络制式,我们使用4G模块的设备,需要送检得到认证,可以得到同时支持FDD和TDD两种网络制式的认证证书,但是不同的运营商对于网络制式的支持是不一样的,具体项目实行的时候,需要与项目经理一同确认下。 LTE FDD: Band 1/3/5/8 LTE
2021-10-25 23:33:03
8819
3
原创 【学习笔记】RT-Thread内核视频学习笔记[1-16章]
文章目录第一章 初识RT-Thread1.1嵌入式系统1.2RT-Thread1.3目录结构1.4启动分析第二章 动态内存堆的使用2.1 回顾堆栈的概念2.2 裸机系统动态内存分配2.3 RTT中动态内存2.4 RTT动态内存的使用2.5 动态内存注意事项2.6 其他相关API第一章 初识RT-Thread1.1嵌入式系统嵌入式系统是一种完全嵌入在装置或设备内部、为满足特定需求而设计的计算机系统嵌入式操作系统是应用于嵌入式系统的软件,用来对接嵌入式底层硬件和上层应用。 多任务管理 任务间通信
2021-06-19 00:05:04
890
3
原创 【学习笔记】RT-Thread中flash管理 — [SFUD组件 和 FAL驱动组件介绍]
简介在RT-Thread中,对flash的操作采用了sfud和fal组件来封装底层,从而兼容不同厂商的flash的差异,避免项目因 Flash 缺货、Flash 停产或产品扩容而带来的风险**,统一的接口来操作flash**。SFUD 和 FAL 组件是github上的开源组件,均是可以独立出来的组件,无论是在裸机系统或者操作系统中都可以轻松移植。By the way ,这两款组件的主要作者都是armink,这位作者自己还有一些对于flash操作的特殊项目。在RT-Thread中,flash操作的
2021-02-24 22:02:39
6480
原创 【读书笔记】C陷阱和缺陷
文章目录第一章 词法“陷阱”1.1 = 不同于==1.2 &和| 不同于 &&和||1.3语法分析中的“贪心法”1.4整形常量1.5字符与字符串第二章 语法陷阱2.1 理解函数声明2.2运算符优先级问题2.3注意作为语句结束标志的分号2.4 switch语句2.5 函数调用2.6“悬挂”else引发的问题第三章 语义“陷阱”3.1 指针与数组数组指针数组名与指针引用二维数组二维数组与指针3.2 非数组的指针3.3作为参数的数组声明3.4 避免”举ou法“第一章 词法“陷阱”1.1
2021-01-20 21:16:25
1045
原创 《跟我一起写makefile》读书笔记
文章目录关于程序的编译和链接概述关于程序的编译和链接maekfile介绍makefile介绍makefile规则示例make是如何工作的makefile中使用变量让makefile自动推导合并同类项清空目标文件的规则makefile里有什么makefile文件名引用其他的makefile环境变量MAKEFILESmake的工作方式书写规则规则的语法在规则中使用通配符文件搜索伪目标多目标静态模式自动生成依赖书写命令显示命令命令执行命令出错嵌套执行make定义命令包使用变量变量的基础变量中的变量:=?=变量高级
2021-01-16 14:52:29
1740
原创 【调试记录】nor flash芯片解读 | 25Q64系类芯片
1.简介W25Q64颗粒单位page:256 Bytessector: 4k =16 pageblock:32k = 128pageThe W25Q64BV array is organized into 32,768 programmable pages of 256-bytes each. Up to 256 bytes can be programmed at a time. Pages can be erased in groups of 16 (sector erase
2020-11-14 22:52:54
11497
2
原创 【小问题】使用 ssh -T git@github.com命令验证Github连通时,不加载生成的id_rsa,而加载.ppk文件
这是我最近遇到的一个很奇怪的问题,一直复制报错信息查找,也没有找到一个合适的方法,故分享出来,希望可以帮到有同样问题的你Question:因为我之前一直用TortoiseGit进行与Github 的连接,最近想用命令行的时候,突然遇到一个问题:用命令行生成的密钥,无法连通github;或者说,根本就不加载我们新生成的文件,一直加载之前用PuTTYgen生成的.ppk文件。Solve当我们遇到问题的时候,第一时间都是想到复制问题,寻找百度,复制解决方法。可是我们应该好好读别人的方法,学到其中的.
2020-07-15 23:40:35
907
原创 【Project】基于LD3320 的智能语音控制系统
目录:1.Background2.Hardware2.1 LD3320语音识别模块2.2 STM322.3连接示意图3.1.Background随着人工智能市场规模持续增长,智能语音将居于重要地位。智能语音设备可以实现自主学习,融入家庭,扮演陪伴者角色,并且极大提高人们的生活效率,还使得难以自理的群体,让他们的生活更方便。2.Hardware2.1 LD3320语音识别模块LD3320 芯片是一款“语音识别”专用芯片。该芯片集成了语音识别处理器 和一些外部电路,包括 AD、DA 转换器、
2020-06-17 10:26:39
4005
2
原创 this exceeds GitHub’s file size limit of 100 MB | github大文件上传解决方案 | 内含命令演示图
网上有很多关于Github大文件上传的解决方案,但是没有一个比较完整的详细的步骤,自己在解决问题的时候跟着一些别人的步骤遇到了一些问题。????整个问题的解决感觉就是,搞定了一个bug,又出现一个bug的感觉。不过问题不大,网上有很多大佬们的解决方案。所以自己整理一遍自己上的步骤,希望可以帮到有需要的人。 ????突破GitHub的限制,使用 git-lfs(Git Large File Stora...
2020-04-08 00:25:56
1587
原创 【git学习笔记】github上fork项目后与原项目保持同步 | 内含命令演示图
写文章的理由很多人错误的在使用fork,把它当成一种“收藏”功能,这其实并没有什么必要。一来,可以直接用“watching”来关注该项目,当有新的issue,commit,pull request时,你会收到相应的邮件提醒(前提是设置了邮箱)。二来fork的项目只是保留了fork当时的状态,如果项目作者在你fork之后更新了项目,你是看不到的。这就带来一个问题:如何实现fork后的项目与原项目...
2020-03-15 10:25:14
922
原创 【git学习笔记】利用git bash命令行操作,学习git | 内含命令演示图
写在前面的话git bash中的一些命令,用的是linux命令,建议先对linux基本命令有所了解再进行git学习。我的其他博文就有linux命令学习笔记,仅供参考。【学习笔记】Ubuntu系统下的Linux入门命令学习 | 内含命令演示图【学习笔记】在Ubuntu系统下Vi编辑器命令【学习笔记】Ubuntu系统下的Linux进阶命令学习 | 内含命令演示图git ba...
2020-03-05 22:38:32
604
原创 【学习笔记】SPI详解
文章目录SPI协议介绍相关介绍硬件原理图数据格式与四种模式OLED显示方法怎么把数据写到显存里面去SPI协议介绍相关介绍SPI(Serial Peripheral Interface),串行外设接口SPI,是一种高速的,全双工,同步的串行通信总线SPI总线是一种4线总线SDO – 主设备数据输出,从设备数据输入 对应MOSI [master output slave inp...
2020-02-21 19:59:20
1415
原创 【嵌入式工程师】海康威视面试经验 | 内涵紫光展锐、瑞芯微等公司嵌入式面经
写在前面的话本文是自己在应聘嵌入式工程师时遇到的一些面试问题总结,大部分的面试都是根据项目发问,希望这份面经可以给你帮助,加油????。文章目录写在前面的话面试准备面试注意事项Tips面试问题海康瑞芯微紫光其他手撕代码面试准备 简历????:多备几份,以免出现面试官有多位以及加面的情况 空白的纸和笔✏️:应付手撕代码和一些其他情况。 作品集???? :可以将你的作品整理成美美的大合集交给面试官。...
2020-02-19 17:57:06
5354
1
原创 紫光展锐秋招笔试 - 错题笔记
写在前面的话此为我在作完紫光笔试后的错题记录与查询,知识点涉及题目但不包含题目,是自己在考试过程中记录暴露出来的知识盲区,考试后查的。聊作记录,避免再犯。文章目录写在前面的话启动地址???内核的工作模式Kernel锁机制自旋锁(spin_lock)信号量(semaphore/mutex)iqr中断过程MMU && DDR && Cache题目只写入DDR。MM...
2020-02-18 16:46:33
8763
7
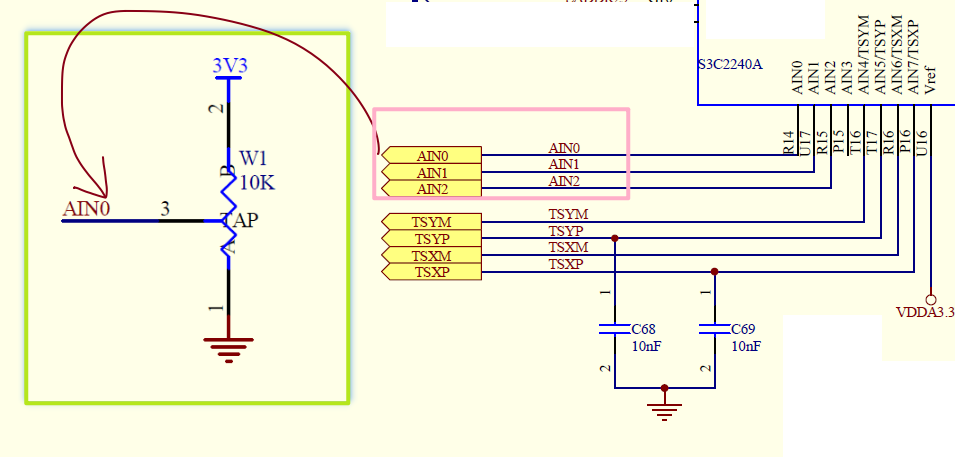
原创 【ARM裸板】S3C2440下的ADC操作和触摸屏的详解 && 根据寄存器编程编程
文章目录001 ADC硬件原理硬件特性s3c2440的ADC硬件原理图 find /Desktop/t...
2020-02-10 15:56:45
1651
原创 【学习笔记】在Ubuntu系统下Vi编辑器命令
文章目录vi编辑器的三种模式1.打开文件、新建文件、保存文件 vi打开文件退出/保存文件进入编辑模式光标移动文本复制、粘贴、删除、撤销查找和替换查找/pattern替换 :%svi编辑器的三种模式一般模式(光标移动、复制、粘贴、删除)编辑模式(编辑文本)命令行模式(查找和替换)注:1.当不知道处于何种模式时,按ESC键退回到一搬模式。2.wq:write quit3.i : i...
2020-02-10 15:53:13
1372
原创 【学习笔记】Ubuntu系统下的Linux入门命令学习 | 内含命令演示图
文章目录Linux入门命令Ubuntu下通过linux命令创建目录和文件shell命令解析器功能说明linux命令提示符和linux命令格式命令提示符linux命令格式常用命令pwdcdlsmkdir(目录操作)rmdir(目录操作)touch(文件操作)mv(文件操作)cp(文件操作)rm(文件操作)cat(文件查看)gedit(文件编辑)clear(清除屏幕)reset(清除屏幕)man、in...
2020-02-08 22:19:20
1424
原创 【学习笔记】图解LCD硬件原理 && 调色板与Framebuffer原理 && 根据S3C2440数据手册设置对应寄存器
文章目录001LCD硬件原理LCD操作原理LCD时序图LCD硬件原理图006 LCD设置打开LCD4.3芯片手册,根据芯片手册设置2440_LCD时序图LCD display configBPP(bit per pixel)002 S3C2440_LCD控制器功能:BLOCK DIAGRAM16BPP调色板[ palette]003LCD编程_框架与准备定义结构体004LCD_编程_抽象出重要结构...
2020-02-05 21:37:50
2655
原创 【过程记录】记一次小白从微软官网安装win10系统 | 图解
写在前面的话划重点:正版 & 免费亲测没问题,系统是官网下的!!用大家习惯的PE工具做系统盘有点糟,而且一直会下到挂着羊头卖狗肉的东西。。。在网上找到了一个在官网下载的win10的方法,正版纯净,与大家分享。资源评论邮箱欧。【虽然官网制作系统U盘很慢,但是值得等待啊!!毕竟是用百度云下载PE工具和4个G的系统镜像文件 也快不了多少】写在后面的话现在已经是第二天早上10点了...
2020-02-05 20:25:38
1364
2
原创 【读书笔记】ARM体系结构与编程 — 第一章 | 杜春雷[著]
文章目录第一章 ARM概述及其基本编程模型1.1 ARM技术的应用领域与其特点1.2 ARM体系结构的版本和命名方法ARM体系结构的版本3.版本34.版本45.版本56.版本6ARM体系的变种thumb指令集(T变种)长乘法指令(M变种)增强型DSP指令(E变种)Java加速器(J变种)ARM媒体功能扩展(SIMD变种)1.3 ARM处理器系列1.3 ARM处理器系列1.5 ARM寄存器介绍1.5...
2020-02-03 22:43:28
1396
7
原创 【Project】基于stm32+mpu6050的体感遥控车
文章目录写在前面的话Remote-SensingTitleBackground工具介绍Introduction系统功能框图姿态说明部分(MPU6050)MPU6050(3轴陀螺仪、3轴加速度计)3轴加速度计3轴陀螺仪陀螺仪与加速度计的配合使用Hardware目录说明写在前面的话github项目地址:https://github.com/Hyf338/Remote-SensingRemote-...
2020-01-20 21:33:56
3768
8
原创 【汇编指令】一些常用的基础汇编指令
文章目录汇编ARM的六大类指令集---LDR、LDRB、LDRH、STR、STRB、STRHLDR指令LDR指令的格式为:LDRB指令LDRH指令LDM指令:STR指令STR指令的格式为:STRB指令STRB指令的格式为:STRH指令STRH指令的格式为:STM指令:- MOV[move]伪指令sub减法add加法- B:跳转BL:branch and linkldm 读内存,写入多个寄存器stm...
2019-12-16 10:01:27
1220
原创 【Tool】一款轻量级的强大截图工具--Sinpaste | 从此告别QQ截图
文章目录sinpaste介绍sinpast基础操作切换中文模式快捷操作截图何谓一次 成功的截图取消当前截图回放截图记录逐像素控制光标移动像素级控制截取区域放大镜取色标注手动结束当前图案如何重新编辑已经结束的图案画板里没有我想要的颜色调整画笔宽度调整文字大小旋转文字将旋转过的文字重新变为水平的贴图如何贴图什么时候可以贴图旋转贴图水平/垂直翻转缩放贴图设置贴图透明度使贴图鼠标穿透重置贴图为 100% ...
2019-12-15 22:06:56
3549
原创 【2019电赛】F题 纸张计数显示装置
Github项目地址:https://github.com/Hyf338/2019-Electronic-Design-Competition2019年全国大学生电子设计竞赛纸张计数显示装置(F题)【本科组】JD0462019年8月10日摘 要纸张计数显示装置基于RT-Thread实时操作系统,硬件平台采用STM32F407单片机为主控制器,以具有抗电磁干扰(EMI)架构的FDC2...
2019-11-20 13:49:59
19847
12
原创 【学习笔记】嵌入式三级
目录:嵌入式系统CPU:开发过程JTAGARM/Advanced RISC MachinesUSB:S3C2410实时操作系统**uC/OS-IIS**VxWorksLinuxLinux与UnixAndroid开源嵌入式操作系统GUN开发工具UART通用异步收发器SocRS-232 RS-485网络以太网路由器CAN总线存储器其他汇编ARM的六大类指令集---LDR、LDRB、LDRH、STR、S...
2019-10-09 22:10:46
1611
原创 【学习笔记】GY-53L1x激光测距传感器模块入门资料
目录:概述参数引脚说明通信协议(1)串口通信参数(2)模块输出格式(3)输入:命令字节,由外部控制器发送至GY-53L1 模块(十六进制)使用程序串口中断服务函数|接收正确数据包数据处理函数发送命令字节函数概述GY-53L1是-款低成本数字红外测距传感器模块。工作电压3-5v,功耗小,体积小,安装方便。其工作原理是:红外LED发光,照射到被测物体后,返回光经过MCU接收,MCU计算出时间差...
2019-10-09 22:06:52
6007
4
原创 RT-Thread在MDK环境下 $sub和$super的含义
在RT-Thread中:components.c 中定义的这段代码://components.c 中定义/* re-define main function */int $Sub$$main(void){ rt_hw_interrupt_disable(); rtthread_startup(); return 0;}Sub main(void) 是在主...
2019-06-02 14:49:32
789
原创 RT-Thread|【学习笔记,不定期更新】
目录:一、简介一、简介RT-Thread,全称是 Real Time-Thread。它是一个嵌入式实时多线程操作系统,支持多任务,允许多个任务同时运行并不意味着处理器在同一时刻真地执行了多个任务。一个处理器核心在某一时刻只能运行一个任务,由于每次对一个任务的执行时间很短、任务与任务之间通过任务调度器进行非常快速地切换(调度器根据优先级决定此刻该执行的任务),给人造成多个任务在一个时刻同时运行的...
2019-06-01 10:59:47
1038
原创 海洋航行器 | C类智能航行【不定期更新】
Altium Design 一体化红外接收盘 船舶主控板端口定义功能端口红外盘接收A8.B13.B14.B15.C6.C7.C8.C9蓝牙&串口USART2_TX – A2 . USART2_RX – A3蓝牙&串口USART1_TX – A9 . USART1_RX – A10舵机TIM2_CH2 – A1电机...
2019-06-01 10:42:08
3258
14
原创 CSDN用Markdowm语法的创作技巧
目录:一、创建目录二、文本三、图片一、创建目录@[TOC](目录:)# 1.一级标题xxxx## 1.1二级标题xxxx### 1.1.1三级标题xxxx二、文本 上标 下标 删除线 小字号 插入字例如:M254插入代码片: ```javascript 三、图片...
2019-06-01 10:37:26
241
原创 基于Kinetis 60、HC-SR04超声测距模块的简易水情测量装置
单片机:Kinetis 60 龙邱开发板 开发环境:IAR Embedded Workbench IDE文章目录一、HC-SR04超声测距模块介绍1.1 超声波测距模块简介1.2 超声波测距模块工作原理一、HC-SR04超声测距模块介绍1.1 超声波测距模块简介 图1 超声波模块实物图 图2 电气参数四个接口端:VCC 供 5V电源GND 为地线,...
2019-02-17 19:18:45
2136
原创 【Project】基于cd4017实现的循环彩灯 | 幸运转盘
(PCB设计)(原理分析)要求:直插led灯随输出口高低排列 按序呈圆形分布功能:按下按键松手后,led循环点亮,直至电容放电完成后只有最后一个led亮着...
2019-02-15 15:15:04
5455
8
关于博客的补充-PID文档.zip
2019-07-31
20M4_3.step
2020-06-05
空空如也
TA创建的收藏夹 TA关注的收藏夹
TA关注的人
RSS订阅