module test_v1(
input clk,
input rst_n,
input [12:0]data_in,
output [5:0]num
);
reg [5:0]num_r;
integer i;
assign num=num_r;
always@(posedge clk or negedge rst_n)
if(!rst_n)
num_r=6'd0;
else begin
num_r=6'd0;
for(i=0;i<=12;i=i+1)
begin
if(data_in[i])
num_r=num_r+1'b1; //循环语句使用阻塞赋值,因为非阻塞赋值只在周期结束时赋值,会导致循环只执行一次
else
num_r=num_r;
end
end
endmodule
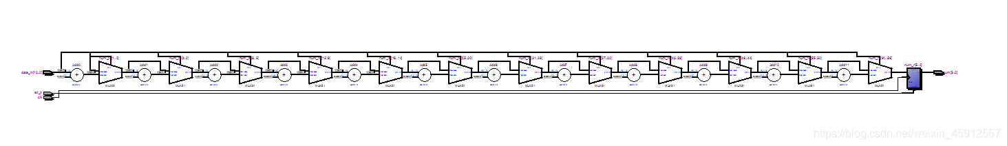
综合的电路如图所示

可知for语句在综合后,就是把相同的电路复制若干次
Verilog循环计数器设计
本文介绍了一种使用Verilog实现的循环计数器设计,该设计接收13位输入数据,通过for循环统计其中的1的数量,并将结果输出为6位的二进制数。文章详细解释了如何使用阻塞赋值来确保循环能够正确执行。
2472

被折叠的 条评论
为什么被折叠?



