文章目录
前言
本章节采用工程设计的方法,推导出电流环PI调节器参数的计算公式,由此来设计永磁同步电机磁场定向控制的电流内环PI调节器参数,并通过Matlab/Simulink对设计的PI调节器进行Bode图分析,最后通过一个设计实例进行仿真验证。
有关永磁同步电机磁场定向控制请阅读:
永磁同步电机(PMSM)磁场定向控制(FOC)及Matlab/Simulink仿真分析
一、调节器的工程设计方法
要实现调节器的工程设计方法,首先要简化问题,突出设计的主要矛盾。简化的基本思路就是把调节器的设计过程分成两步:
1、选择调节器的结构,以确保系统稳定,同时满足所需要的稳态精度
2、再选择调节器的参数,以满足系统动态性能指标的要求
选择调节器的结构,使系统能满足所需要的稳态精度,这是设计过程中的第一步。由于III型及III型以上的系统很难稳定,因此常把I型系统和II型系统作为系统设计的目标。
二、电流环PI调节器的参数整定
工程设计方法的原则是:先设计内环后设计外环,因此对于永磁同步电机磁场定向控制系统先设计电流内环PI调节器,将电流环校正为典型I型系统。
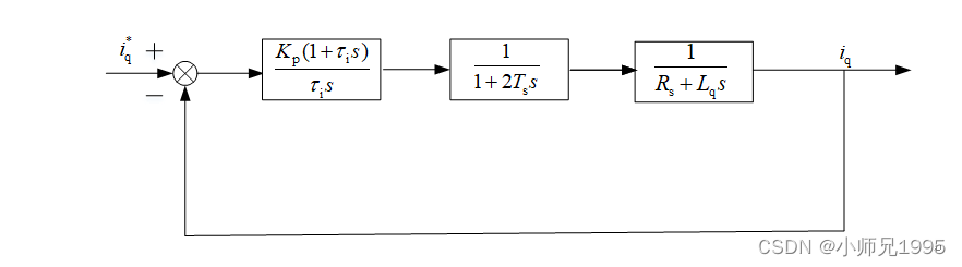
2.1.电流环的结构框图
对表贴式SPM永磁同步电机,多采用Id=0来进行控制,使定子电流全部用来产生电磁转矩。由于dq轴电流内环具有对称性和相似的系统特性,所以d轴和q轴的电流调节器参数整定过程类似,本章节以q轴电流调节器参数整定为例进行设计。

上图为控制系统电流环结构框图,q轴电流给定值iq*与q轴电流反馈值iq的误差为电流环的输入,该误差经过PI调节器输出q轴电压控制信号Uq,通过Uq控制电磁转矩。

通过下述处理,进一步简化电流环的结构框图

电流环的结构框图简化为:


2.2.典型I型系统

取T=0.001,K=100,绘制典型I型系统的Bode图:

由上图,典型I型系统对数幅频特性的中频段以-20dB/dec斜率穿越0分贝线,只要参数选择能够保证足够的中频带宽度,系统就一定是稳定的。典型I型系统中只包含开环增益K和时间常数T两个参数,时间常数T往往是控制对象本身固有的,系统唯一可变的只有开环增益K,设计时根据性能指标选择K的大小。

但是上式也表明,K值越大,截止频率wc也就越大,系统的响应越快,但相角裕度越来越小,系统稳定性越来越差,系统快速性和稳定性之间存在矛盾,具体选择参数K时二者应折中处理。工程设计时,一般参照典型I型系统动态性能指标参数表进行K值的选取。


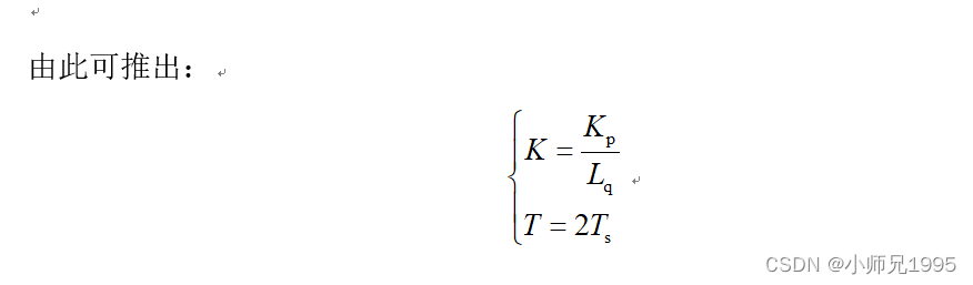
2.3.电流环PI参数整定计算公式



三、电流环PI调节器设计实例
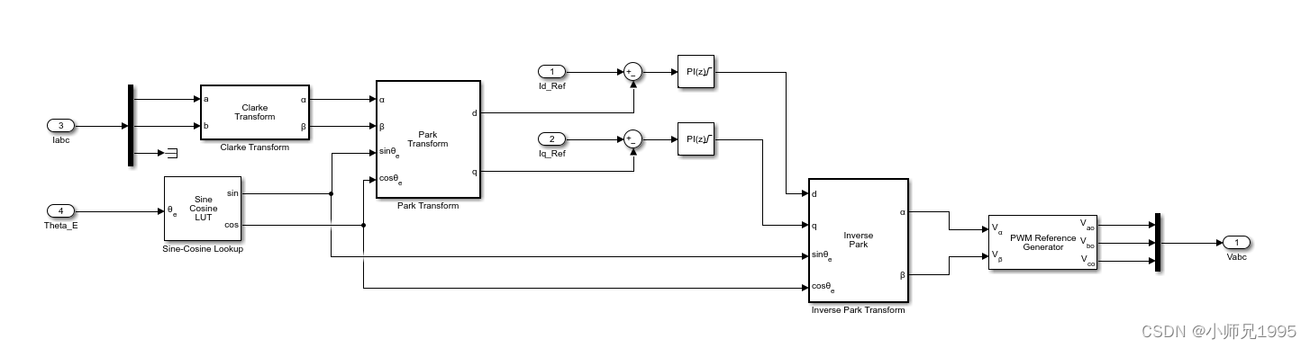
3.1.永磁同步电机磁场定向的电流闭环控制
有关永磁同步电机磁场定向的电流闭环控制的详细分析,请阅读:
永磁同步电机(PMSM)磁场定向控制(FOC)及Matlab/Simulink仿真分析


3.2.电流环PI参数计算
电机参数如下:

设定电流环采样频率为20KHz,即Ts=0.00005s,由电流环PI调节器参数计算公式得:

绘制该系统的Bode图如下:

截止频率wc=4550,相角裕度65.5度,与下表KT=0.5所述的系统性能指标一致,表明PI控制器设计成功。

下图为该系统闭环传函的Bode图,从图中可已看出该系统的带宽频率约为7100rad/s

3.3.仿真分析
将Kp=5.25,Ki=3750带入电流闭环仿真模型dq轴的PI调节器中进行仿真分析,结果如下
电机转速:

电机定子电流:

同步旋转坐标系下的定子电流Id、Iq:电机启动时以设定的最大电流1A进行启动,当转速达到稳态值时电流立即降了下来,实现了理想最优的启动过渡过程,反映出电流控制器参数设计成功。

同步旋转坐标系下的定子电压:

电磁转矩:

总结
本章节采用工程设计的方法,推导出了电流环PI调节器参数的计算公式,由此来设计永磁同步电机磁场定向控制的电流内环PI调节器参数,并通过Matlab/Simulink对设计的PI调节器进行了Bode图分析,最后通过一个设计实例进行了仿真验证,为后文的分析奠定基础。
模型及代码工程获取:


本文介绍了永磁同步电机(PMSM)电流环PI调节器的工程设计方法,包括电流环结构、参数整定计算公式和设计实例。通过Matlab/Simulink进行Bode图分析,验证了PI控制器设计的成功,实现了电流闭环控制的快速稳定启动过程。
1万+

被折叠的 条评论
为什么被折叠?



